EasyManua.ls Logo

Whirlpool RBD306PD - Strip Circuits

Whirlpool RBD306PD
59 pages
Print Icon
To Next Page IconTo Next Page
To Next Page IconTo Next Page
To Previous Page IconTo Previous Page
To Previous Page IconTo Previous Page
Loading...
7-8
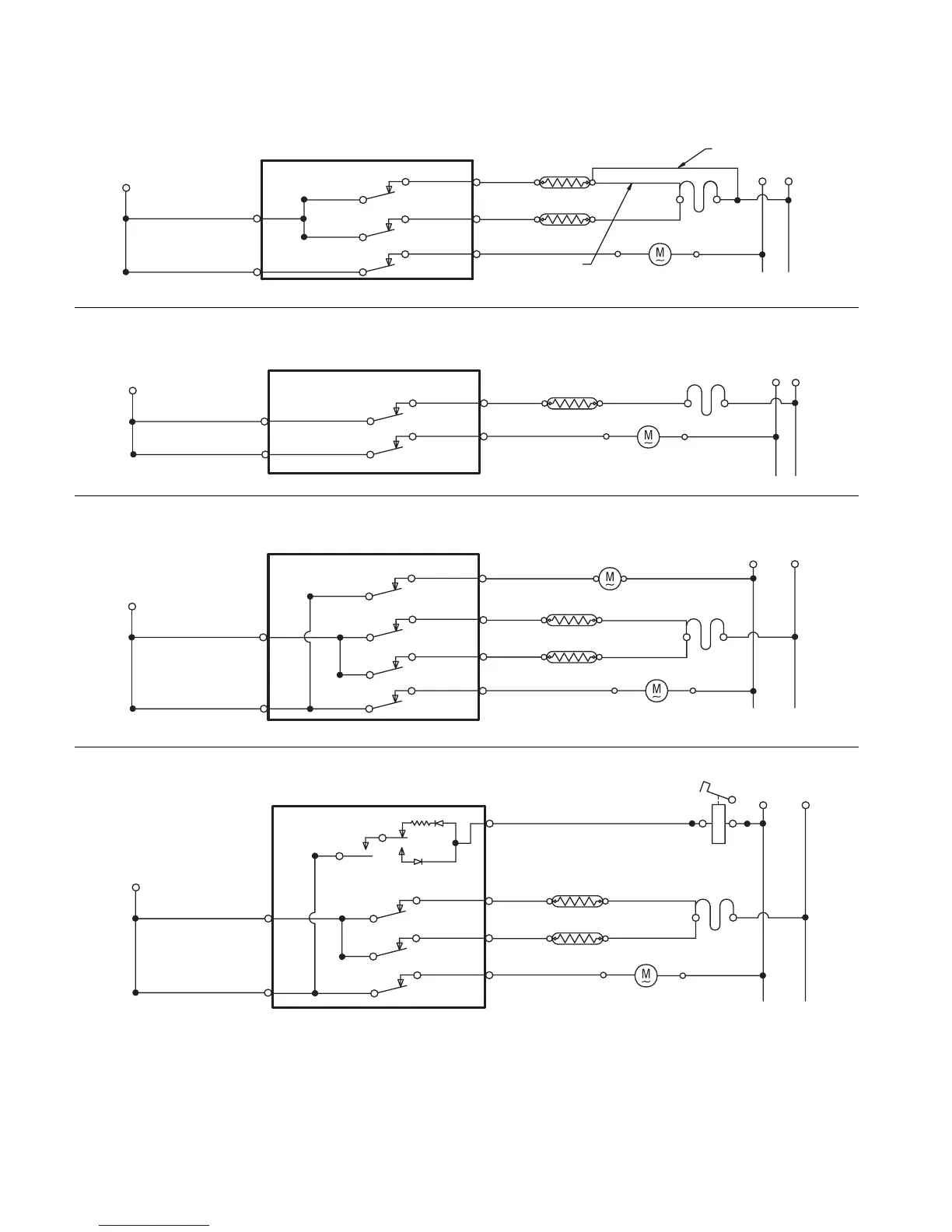
STRIP CIRCUITS
BAKE & PREHEAT BAKE
BROIL
CONVECTION & PREHEAT CONVECTION
BAKE-2000W
BROIL-3000W
R
OR
L1
BK
GY
W
P5-1
(P5-2)
BK
P7-1
P6-3
(P6-2)
P6-4
(P6-1)
P4-6
(P4-3)
(GY/W)
R
R
OR
R
STANDARD CLEAN
CAVITY ONLY
SELF CLEAN
MODELS ONLY
BLOWER
OR
L1
L2
GY
N
R
W
O
BK
P5-1
(P5-2 )
BK
P7-1
P6-4
(P6-1 )
P4-6
(P4-3 )
(GY/W)
BROIL-3000W
BLOWER
BAKE-2000W
R
OR
CONV. FAN
OR
L1
L2
N
GY
W
W
BK
P5-1
BK
P7-1
P4-8
P6-3
P6-4
P4-6
R
OR
R
BROIL-3000W
BLOWER
CLEAN (ABOVE 600˚F)
R
OR
PULSE
RELAY
LOCK
UNLOCK
L2
N
W
GY
W
Y
W
Y
L1
BK
P5-1
BK
P7-1
(P5-2)
P6-4
(P6-1)
P4-6
(P4-3)
(GY/W)
P6-3
(P6-2)
P4-7
(P4-4)
R
OR
R
BAKE-2000W
BROIL-3000W
BLOWER

Table of Contents

Related product manuals