EasyManua.ls Logo

Whirlpool RBD306PD - Strip Circuits - Bake and Preheat Bake

Whirlpool RBD306PD
59 pages
Print Icon
To Next Page IconTo Next Page
To Next Page IconTo Next Page
To Previous Page IconTo Previous Page
To Previous Page IconTo Previous Page
Loading...
7-2
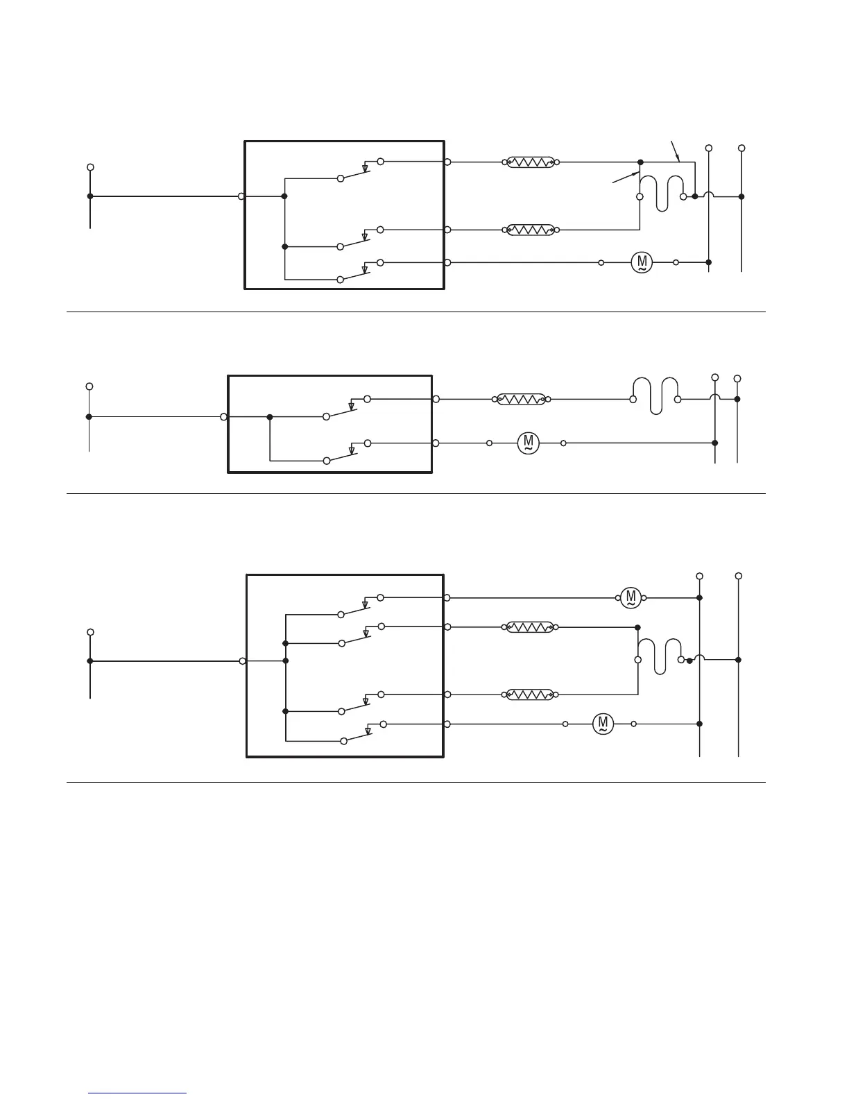
STRIP CIRCUITS
BAKE & PREHEAT BAKE
BROIL
CONVECTION & PREHEAT CONVECTION
(CONVECTION MODELS, UPPER OVEN ONLY)
BAKE-2000W
R
R
L1
L2
BROIL-3000W
OR
OR
GY
N
BLOWER
R
BK
*
(*)
P18- 4
(P26-4)
P24- 5
(P27-2)
P18- 1
(P26-2)
STANDARD CLEAN
MODELS ONLY
OVEN
SHUTDOWN
THERMAL
FUSE
SELF-CLEAN
MODELS ONLY
OR
L1
L2
GY
N
R
W
OR
BK
P18- 1
(P26-2)
P24- 5
(P27-2)
*
(*)
OVEN SHUTDOWN
THERMAL FUSE
BROIL-3000W
BLOWER
BAKE-2000W
OR
OR
OR
L1
L2
N
R
GY
R
W
W
R
*
(*)
BK
P24- 6
P18- 1
(P26-2)
P24- 5
(P27-2)
P18- 4
(P26-4)
OVEN
SHUTDOWN
THERMAL
FUSE
BROIL-3000W
BLOWER
CONV. FAN

Table of Contents

Related product manuals