EasyManua.ls Logo

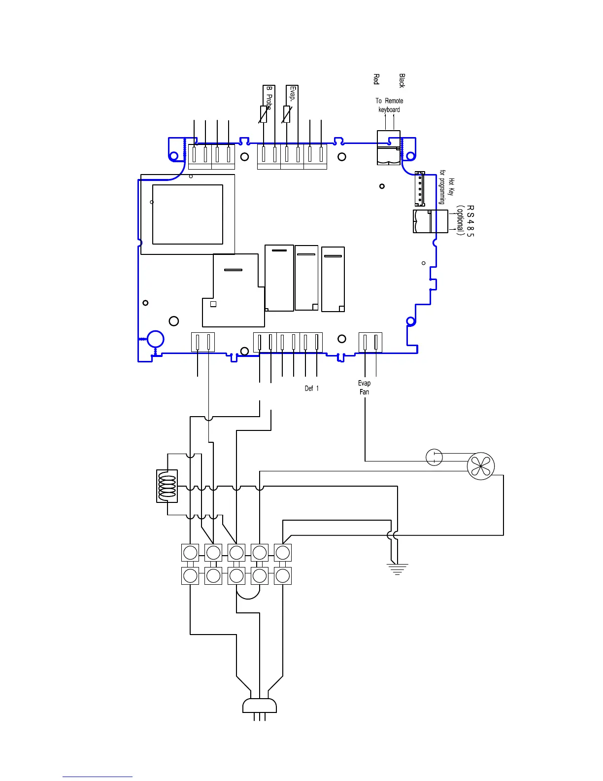
WhisperKool Platinum Split - Evaporator Unit (Fan Coil Unit) Wiring Schematic

WhisperKool Platinum Split
42 pages
Print Icon
To Next Page IconTo Next Page
To Next Page IconTo Next Page
To Previous Page IconTo Previous Page
To Previous Page IconTo Previous Page
Loading...
www.whisperkool.com | Page 15
EVAPORATOR UNIT (FAN COIL UNIT) WIRING SCHEMATIC


Neutral
Line
Evap
Fan
Capacitor
Capacitor





         






Chris Carranco



Other manuals for WhisperKool Platinum Split

Related product manuals