EasyManua.ls Logo

White Magic PRO 1900 - Pa1900 - Cat Pump Assembly

Default Icon
90 pages
Print Icon
To Next Page IconTo Next Page
To Next Page IconTo Next Page
To Previous Page IconTo Previous Page
To Previous Page IconTo Previous Page
Loading...
White Magic Carpet Cleaners Accessories Catalog
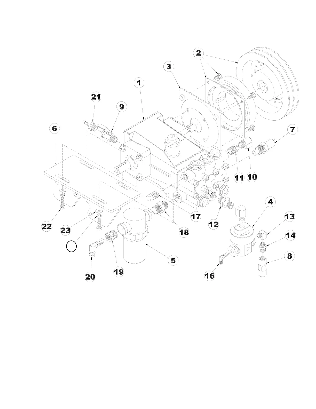
PA1900 - CAT PUMP ASSEMBLY
ITEM# / P/N / DESCRIPTION ITEM# / P/N / DESCRIPTION
1 A103 TRIPLE PLUNGER PUMP
see Section: 6-A6
2 A103-50 CAT PUMP CLUTCH
3 A103-41 CAT TO CLUTCH ADAPTOR PLATE
4 A005P PULSE PUMP
see Section: 6-A7
5 E132 IN LINE STRAINER
6 J276 PUMP MOUNT TRAY
7 J0349 140° KILL SWITCH
8 B221 1/4” INLINE CHECK VALVE
9 B142 1/4” TWO WAY BALL VALVE
10 E024 1/4” STREET 90° ELBOW
11 E016 3/8” MPT X 1/4” FPT BUSHING
12 A005P-1 PULSE PUMP MOUNT FITTING
13 E018 1/8” STREET 90° ELBOW
14 E0495 1/4” X 1/8” HEX NIPPLE
15 D065 5/16” LOCK WASHER
16 B023 1/8” MPT X 1/4” BARB 90°
17 E066 3/8” SQUARE HEAD PLUG
18 E010 1/2” HEX NIPPLE
19 E027 1/2” MPT X 3/8” MPT HEX NIPPLE
20 E100 3/8” MPT 1/2” BARB 90°
21 E075 1/4” MPT X 1/4” BARB
22 DM005 M8 X 25MM HEX BOLT
23 D064 5/16” FLAT WASHER
6-A5
15

Table of Contents