EasyManua.ls Logo

Wolf FGB-35 - FGB Wiring Diagram

Wolf FGB-35
104 pages
Print Icon
To Next Page IconTo Next Page
To Next Page IconTo Next Page
To Previous Page IconTo Previous Page
To Previous Page IconTo Previous Page
Loading...
3064458_201811
99
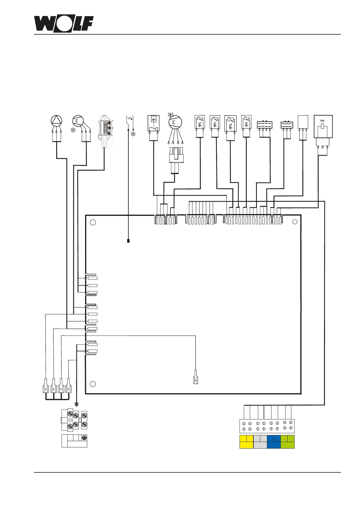
Internal appliance pump
Boiler water temperature
sensor
Fan 230 VAC
Fan PWM signal
High limit safety cut-out
3-way valve
Flow sensor
Water pressure sensor
Return temperature sensor
Flue gas temperature
sensor
Gas combination valve
DHW outlet
temperature sensor
ON/OFF switch
Speed
Internal appliance pump
35. FGB wiring diagram
3-Wege-Ventil
Kesseltemperaturfühler
Rücklauftemperaturfühler
Warmwasserauslauf-
temperaturfühler
Wasserdrucksensor
E1
AF
SF
EBus
GND
GND
GND
GND
X32:1
8
ZHP PWM
Drehzahl
interne Gerätepumpe
ZHP GND
GND
eBus
GKV
GND
GND
WWF
GND
RLF
GND
+5V
DHK
GND
+5V
DFL-WW
GND
L1 ZHP
N ZHP
N Venti’
N
N
L WW
L HZ
L1 Venti
L1
BK
BL
GNYE
FGB Control
X31:1
X33:1
17
BK
GN
D
GN
D
+5V
+5V
out
out
BK
RD
RD
VT
VT
6
X23:1
3
X21:1
X22:1
2
4
X11:1
8
BN
interne Gerätepumpe
GN
GN
BN
BN
BN
BL,YE
BL,YE
WH,BK
Durchflusssensor
PWM
PE
BN
BL
BN
BL
GNYE
AF
GND
SF
GND
E1
GND
VLF
GND
Vent. GND
Vent. Hall
Vent. PWM
STB in
STB +24
Abgas
Gaskombiventil
Abgastemperaturfühler
4
3
2
1
3
4
2
1
Ventilator PWM-Signal
GN,RD
BN
WH,BK
STB
>
Ventilator 230 VAC
GNYE
GNYE
BN
BN
BL
BL
3
3
2
2
1
1
GNYE
GNYE
WH BK
BN
GN,RD
WH,BK
BN
Netz
T3,15A
L1
N
a b
1 2 +
-
1 2
SF
AF E1
eBUS
Zünd- und
Überwachungselektrode
BK
BL
BN
HZ
WW
1
Schaltplan für
FGB
47-13-000-586
Benennung
Zeichnungsnummer
CorelDraw
Art.- / Materialnummer
Seite
S. von 1
NameName
Ausg.Ausg. ÄnderungÄnderung AntragAntrag DatumDatum
3064219
lau
Kür
01
02
Erstellung
Serienanpassung
10500047
10500047
26.03.15
14.06.16
Ignition and
monitoring electrode

Related product manuals