EasyManua.ls Logo

Worcester GREENSTAR 30CDi - Layout & Components; Pre-Installation; Cleaning Primary Systems

Worcester GREENSTAR 30CDi
48 pages
Print Icon
To Next Page IconTo Next Page
To Next Page IconTo Next Page
To Previous Page IconTo Previous Page
To Previous Page IconTo Previous Page
Loading...
PRE-INSTALLATION
6 720 806 548 (2013/02) 7
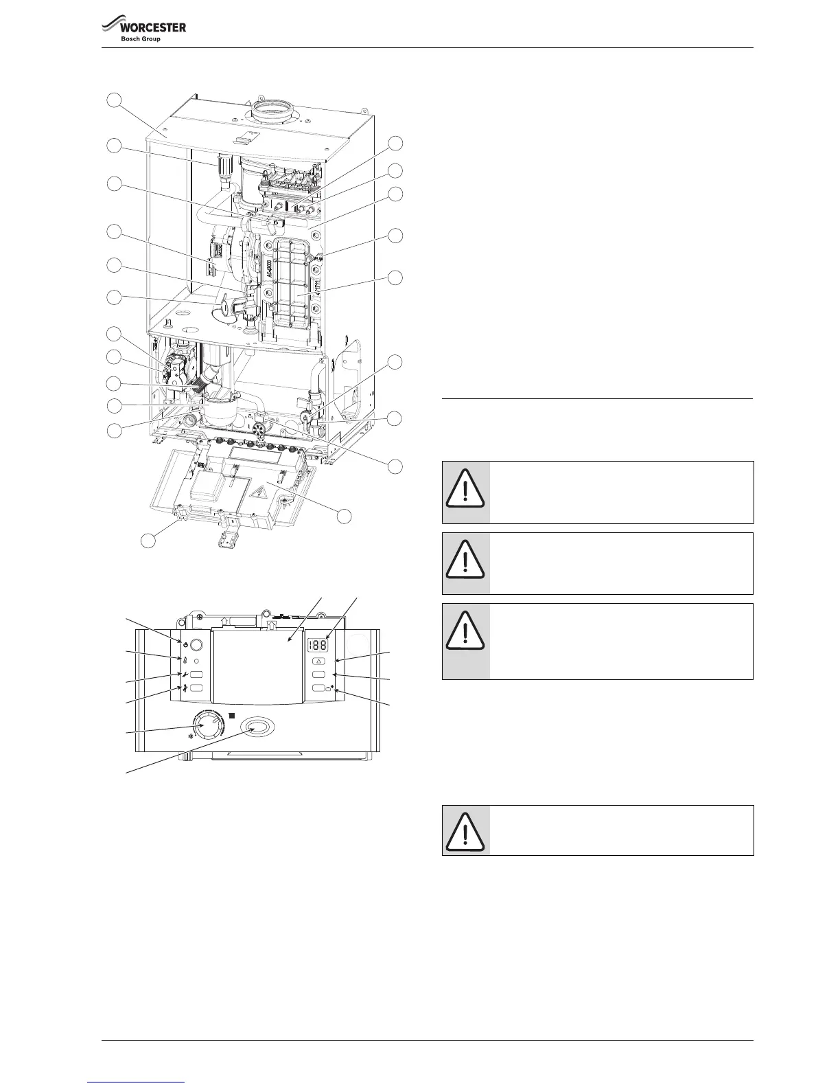
2.3 LAYOUT & COMPONENTS
Fig. 3 Boiler layout and components
The diagram above shows the controls in the servicing position and
excludes the outer case.
1. FLAME VIEWING WINDOW
2. IGNITION ELECTRODE AND FLAME SENSE ELECTRODE
3. HEAT EXCHANGER
4. OVERHEAT THERMOSTAT
5. ACCESS POINT FOR CLEANING HEAT EXCHANGER
6. DRAIN POINT
7. RETURN
8. GAS CONNECTION 22mm COMPRESSION
9. COVER FOR EXTERNAL WIRING CONNECTION
10. CONTROL PANEL IN SERVICE POSITION
11. FLOW
12. TRAP/SIPHON
13. CONDENSATE HOSE
14. INLET PRESSURE TEST POINT
15. GAS VALVE
16. AIR / GAS ADJUSTMENT SCREW
17.TESTING POINT FOR FAN PRESSURE
18. FAN
19. PRIMARY SENSOR
20. AUTO AIR VENT
21. REMOVABLE TOP CASE PANEL FOR SERVICING
22. BLANK PLATE
23. DISPLAY
24. FAULT RESET BUTTON
25. NOT USED
26. NOT USED
27. MAINS ON/OFF INDICATOR/DIAGNOSTIC LIGHT (BLUE)
28. TEMPERATURE CONTROL
29. PERFORMANCE TEST BUTTON
30. SERVICE BUTTON
31. BURNER ON INDICATOR LIGHT(GREEN)
32. MASTER SWITCH ON/OFF
3 PRE-INSTALLATION
3.1 CLEANING PRIMARY SYSTEMS
BEFORE CLEANING THE SYSTEM:
Ensure that the system and pipe work is in good working order.
Where possible keep the existing boiler/circulating pump in place
when flushing the system.
FOLLOW THE GUIDANCE OF BS7593:
Treatment of water in domestic hot water central heating and also the
flushing guidelines below.
FLUSHING THE SYSTEM
Fill the system with cold water and check for leaks.
Open all drain cocks and drain the system.
Close drain cocks and add a suitable flushing agent compatible with
aluminium at the correct strength for the system conditions in
accordance with the manufacturer‘s instructions.
The pH value of the system water must be less than 8 or the
appliance guarantee will be invalidated.
Circulate the flushing agent before the boiler is fired up.
1
6
2
4
5
7
8
9
10
11
12
13
14
16
17
18
19
20
21
3
15
6720806548-01.1Wo
1
2
3
4
5
6
max
reset
eco
6720648547-44.1Wo
32
31
30
29
28
27
22 23
24
25
26
NOTICE:
All the following Pre-Installation sections must be read
and requirements met before starting boiler or flue
installations.
CAUTION:
ISOLATE THE MAINS SUPPLIES BEFORE STARTING
ANY WORK AND OBSERVE ALL RELEVANT SAFETY
PRECAUTIONS.
NOTICE:
Debris from the system can damage the boiler and
reduce efficiency.Failure to comply with the guidelines
for the use of water treatment with the appliance will
invalidate the appliance warranty.
NOTICE: ARTIFICALLY SOFTENED WATER MUST NOT
BE USED TO FILL THE CENTRAL HEATING SYSTEM.

Table of Contents

Related product manuals