EasyManua.ls Logo

Worcester Greenstar Danesmoor Utility Regular ErP 25/32

Worcester Greenstar Danesmoor Utility Regular ErP 25/32
56 pages
To Next Page IconTo Next Page
To Next Page IconTo Next Page
To Previous Page IconTo Previous Page
To Previous Page IconTo Previous Page
Loading...
Installation
Greenstar Danesmoor Utility
ErP
and Utility System
ErP
- 6 720 813 286 (2014/09) 31
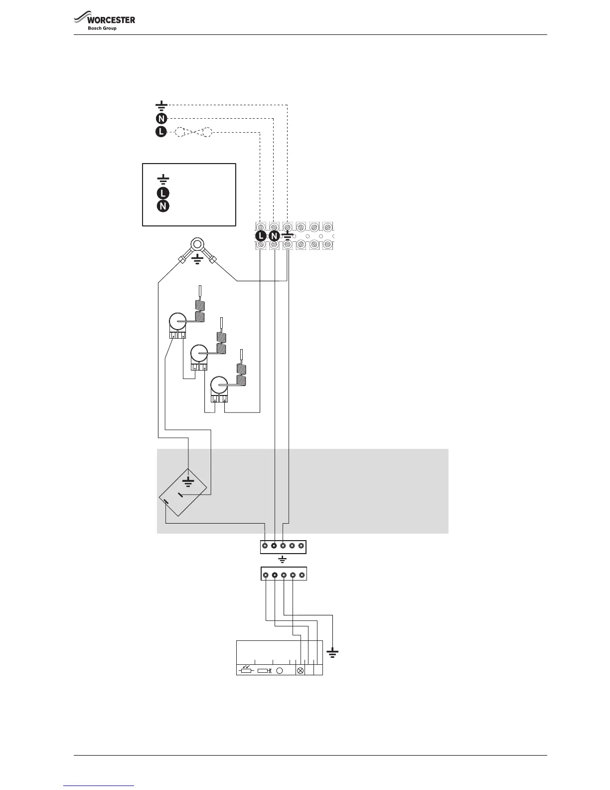
Utility - 230V Standard wiring diagram
Fig. 55 230V Standard wiring diagram
1 2 3
A
B
C
D
Green/Yellow
Green/Yellow
Green/Yellow
Brown
Red
3
2
Orange
F
Brown
Brown
= EARTH
= LIVE
= NEUTRAL
Blue
E
Riello Burner
Black
Red
Grey
Green/Yellow
M
N
L
J
6720809436-21.1Wo
Key to components:
A - EARTH STUD.
B - HIGH LIMIT THERMOSTAT.
C - BOILER MANUAL RESET OVERHEAT
THERMOSTAT.
D - FLUE MANUAL RESET OVERHEAT
THERMOSTAT.
E - TERMINAL CONNECTOR BLOCK.
F - CONTROL THERMOSTAT.
G - BURNER SOCKET.
H -BURNER PLUG.
J - BURNER CONTROL BOX.
G
L3 N L2L1
H

Table of Contents

Related product manuals