EasyManua.ls Logo

Worcester Greenstar Danesmoor Utility Regular ErP 25/32

Worcester Greenstar Danesmoor Utility Regular ErP 25/32
56 pages
To Next Page IconTo Next Page
To Next Page IconTo Next Page
To Previous Page IconTo Previous Page
To Previous Page IconTo Previous Page
Loading...
Appliance information
Greenstar Danesmoor Utility
ErP
and Utility System
ErP
- 6 720 813 286 (2014/09)8
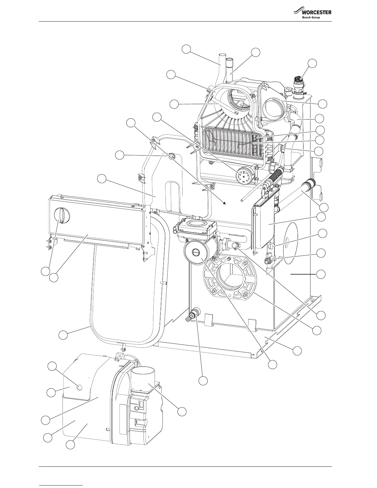
3.4 Layout and components - 18/25 System appliance shown
3
4
5
6
7
8
9
10
11
12
14
13
15
16
17
18
19
20
21
22
23
24
25
26
27
28
29
32
31
30
33
1
2
6720813286-01.1Wo

Table of Contents

Related product manuals