EasyManua.ls Logo

Worcester Greenstar Danesmoor Utility Regular ErP 25/32

Worcester Greenstar Danesmoor Utility Regular ErP 25/32
56 pages
To Next Page IconTo Next Page
To Next Page IconTo Next Page
To Previous Page IconTo Previous Page
To Previous Page IconTo Previous Page
Loading...
Installation
Greenstar Danesmoor Utility
ErP
and Utility System
ErP
- 6 720 813 286 (2014/09) 33
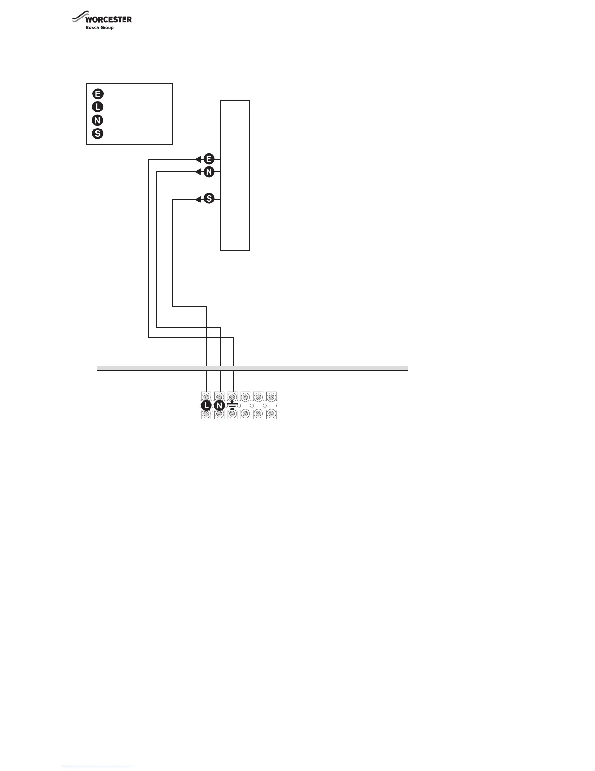
Utility - Remote 2 or 3 port valve control set using remote programmer
Fig. 57
1 2 3
K
OUTSIDE BOILER
INSIDE BOILER
= EARTH
= LIVE
= NEUTRAL
= SWITCHED LIVE
E
Key to components:
K - REMOTE JUNCTION BOX (10-way) to
connect the following (refer to manufacturers instructions):
>Mains wiring 230V 50Hz.
>Hot water tank thermostat.
>Room thermostat.
>System water valves.
>Circulating pump.
>External programmer.
E - TERMINAL CONNECTOR BLOCK.
Remote (10 way) junction box (K) requirements:
>The junction box (K) must be a terminal block type,
current rated to at least 5 amps.
>A 5 amp fuse must be fitted to the mains supply.
>The junction box (K) must be fitted externally to the boiler.
A frost thermostat can also be connected to the
remote junction box if required.
6720809436-23.1Wo

Table of Contents

Related product manuals