EasyManua.ls Logo

wsm M108S - Engine Harness

wsm M108S
525 pages
Print Icon
To Next Page IconTo Next Page
To Next Page IconTo Next Page
To Previous Page IconTo Previous Page
To Previous Page IconTo Previous Page
Loading...
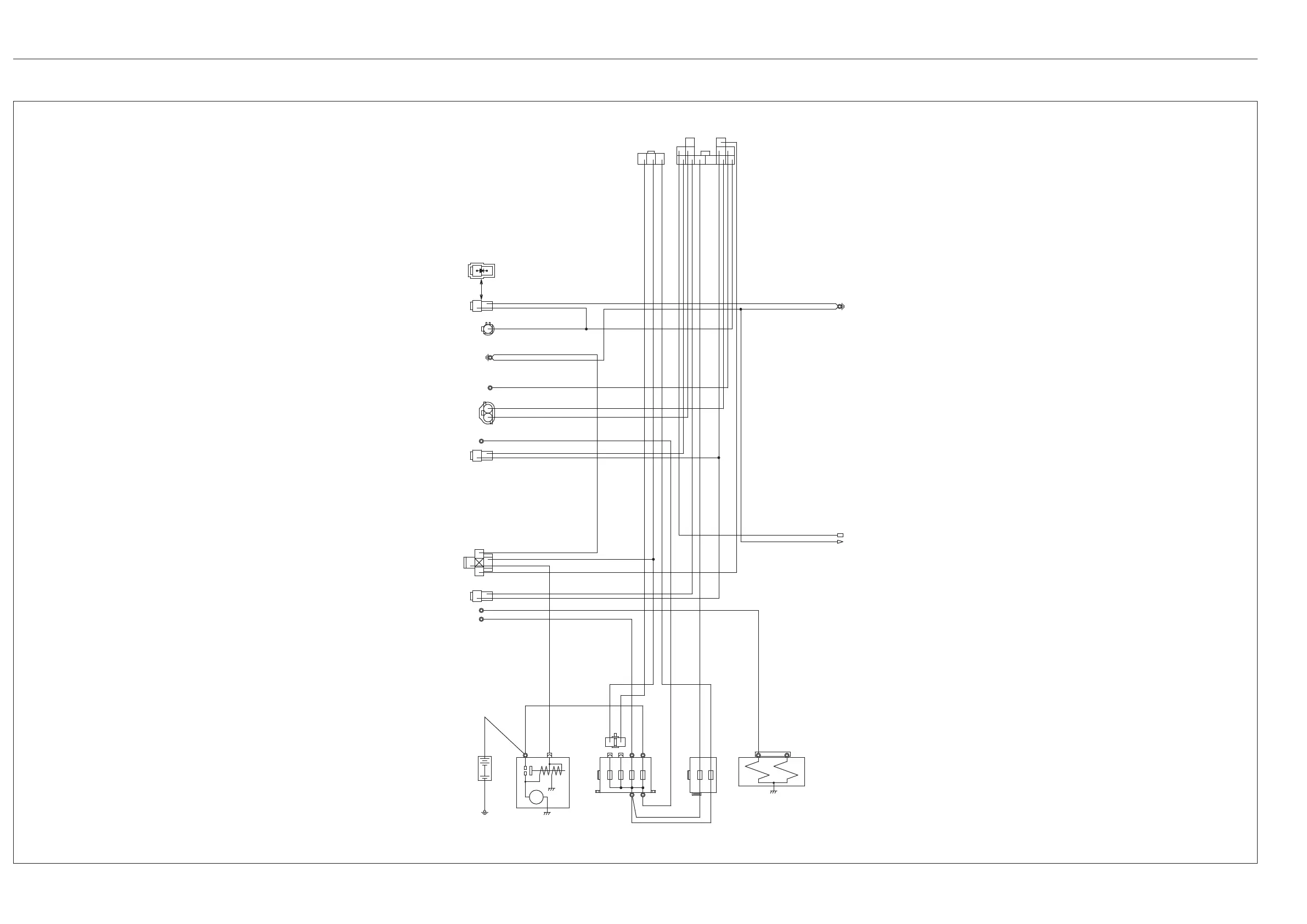
[2] ENGINE HARNESS
9-M2
M108S, WSM
ELECTRICAL SYSTEM
3TMACBB9P015A
7
0.50 B
0.50 BR/W
0.50 BR/W
Air Cleaner Switch
3.00 R
3.00 R
15.0 W/R
Intake Air Heater
Heater Relay
0.50 B/L
0.50 B/Y
15.0 R
15.0 W/R
M6
M6
21
0.50 R/G
0.50 B
5.00 B/W
5.00 R/B
5
2
1
3Starter Relay
0.85 B
Earth RearM82.00 B
M5
To Main Harness
15.0 W-F
5.00 R/B
5.00 W
151413
15.0 W-F
5.00 R/B
5.00 W
Slow Blow Fuse Box 1
M5
M5
120A
M6
60A
60A
120A
0.50 Y/L
0.50 B/Y
Earth Front 2.00 B
0.50 B
M6
Compressor
Magnetic Clutch
Diode (Compressor)
0.85 Y/L
0.85 B
21
Assy
0.50 W
M4
Engine Oil Pressure
Switch
0.50 B/W
0.50 W/R
Engine Coolant
Temperature Sensor
2
1
Alternator
M6
15.0 W-F
0.50 W/G
0.50 R/G
LR
0.50 Y/L
0.50 W
0.50 W/R
0.50 R/G
3.00 W/R
0.50 B/L
0.50 B/W
0.50 W/G
1098
/
653
12
12 /
15.0 R
M6
5 B/W
15.0 W-F
5.00 R
5.00 R 3.00 W/R
Slow Blow Fuse Box 2
30A
30A
Battery
Starter Motor
M8
60 B/Y 60 B/Y
M
BS
KiSC issued 05, 2012 A

Table of Contents