EasyManua.ls Logo

wsm M108S - Meter Panel

wsm M108S
525 pages
Print Icon
To Next Page IconTo Next Page
To Next Page IconTo Next Page
To Previous Page IconTo Previous Page
To Previous Page IconTo Previous Page
Loading...
F-LH
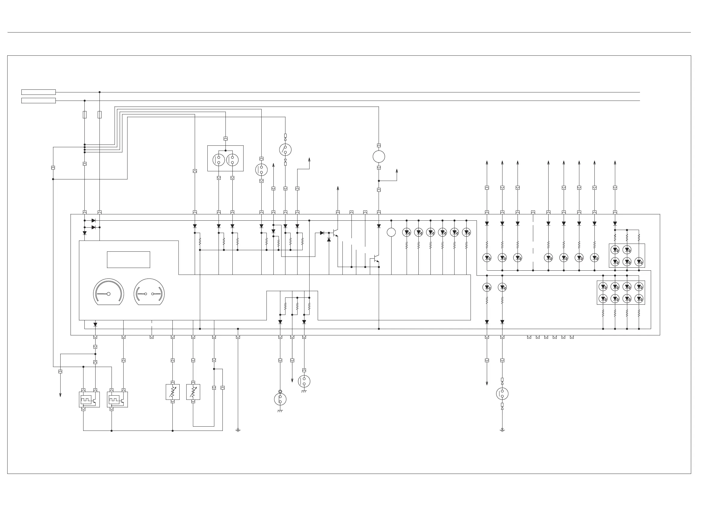
[2] METER PANEL
M108S, WSM
ELECTRICAL SYSTEM
0.5R/G
0.85Y/B
0.85BR
[Except: -UK]
To Flasher Unit
0.5L
PTO Shift Switch
To PTO Switch
0.5V/W0.5V/W 0.5R/Y
To 4WD Switch
0.5R/Y
0.5BR/W
0.5BR/W
0.5B
Air Cleaner Switch
0.5B
0.5B/W0.5B/W
0.5B/W
0.5B/W
0.5B/W
20
0.5BR/W
0.5BR
0.5Y
0.85P/B
0.5LG0.85LG
To CRS Unit
0.5P/W
0.85P/W
40
0.5Y
0.5R/Y
Light
Key IG1/IG
0.85Y
0.85BR/W
0.5P/W 0.5P/W
To CRS Unit
0.5Y/B
0.5R/L
0.5R/W
To Shift Switch Lo
To Shift Switch Hi
To Light Switch
3435
Air Cleaner
28
Trailer
23 1415
High Beam
To Flasher Unit
(Output R)
To Flasher Unit
(Output L)
To Light Switch
(High Beam)
0.5P/L
To Main Key (Start)
0.5P/L
0.5P/B
0.5L/B
To Shift Buzzer Relay
0.5R/Y
0.5L/B
Buzzer
2
1
BZ
0.5GY/W
0.5GY
2
1
0.5R/Y
0.5R/Y
0.5R/Y
0.5R/Y
0.5R/Y 0.5R/Y
0.5R/Y
0.5R/Y
12
0.5W/G
To Alternator
Brake System
Engine System
LCD Display
Tacho Meter Temperature
Meter
Fuel Meter
111025
0.5R/Y
Brake Oil Switch
0.5Y/G
0.5B/Y
0.5L/B
0.5Y/R0.5Y/R
0.5R/L
0.5R/W
Shift Lo
Shift Hi
0.5G/W
0.5BR/Y
Parking Switch
0.5W/G
0.5W 0.5W
0.5W/R 0.5W/R
0.5B/W
0.5B/W
0.5B/W
0.5Y/L0.5Y/L
0.5P/W
0.5R/B0.5R/B
M4
3
2
1
b
a
23
1
23
1
Speed Unit
PTO/Hour
0.5B/W
0.5B/W
Engine Coolant Temperature Sensor
Fuel Sensor
399876522273332171836
21313029121642311319242638
Meter Panel
37
Engine Oil Pressure Switch
To Heater Relay
BZ
Buzzer
Fuel Level
Heater
PTO
Charge
Engine Oil Press
Turn LH
Turn RH
4WD
Back Light
LCD Back Light
5A5A
Display Mode
Select Switch
Engine Rotation Sensor
Traveling Speed Sensor
3TMACBB9P020A
9-M8
KiSC issued 05, 2012 A

Table of Contents