EasyManua.ls Logo

Xylem Lowara Genyo plus - Hydraulic Connection Diagrams and Steps

Xylem Lowara Genyo plus
36 pages
Print Icon
To Next Page IconTo Next Page
To Next Page IconTo Next Page
To Previous Page IconTo Previous Page
To Previous Page IconTo Previous Page
Loading...
en - Original instructions
Genyo plus, Additional Installation, Operation and Maintenance Instructions 15
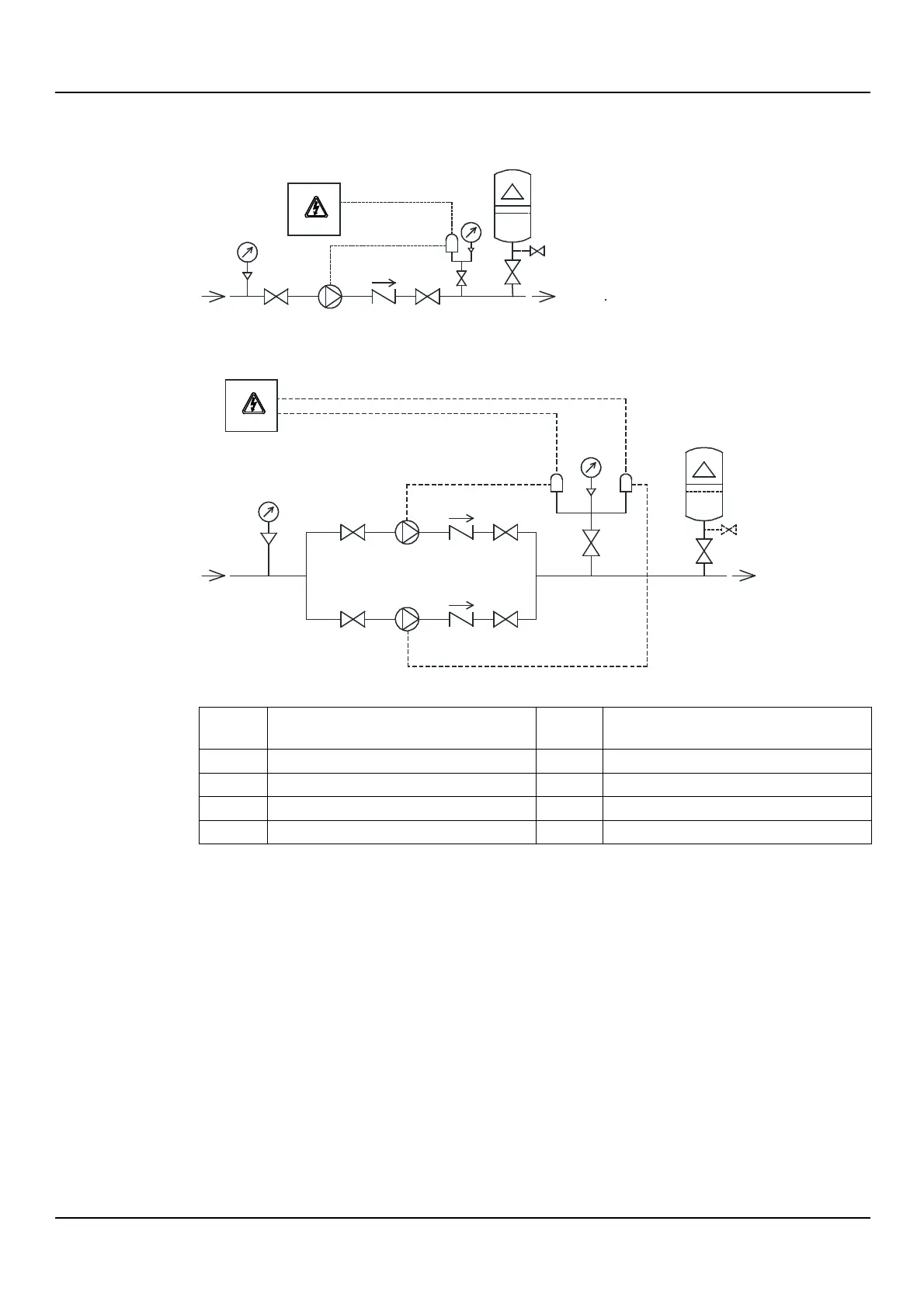
4.3.1 Guidelines for hydraulic connection
Refer to the representative hydraulic diagrams; see the figures below.
Figure 1: Installation with single pump unit
Figure 2: Installation of the booster set
Position
number
Description
Position
number
Description
1
Pump unit
5
Check valve
2
Diaphragm pressure tank
24 l (6.3 US gal)
6
Genyo plus unit
3
Electric panel
7
Pressure gauge
4
On-off valve
8
Drain tap
1. Remove any welding residues, deposits and impurities in the pipes that could damage the
unit.
2. Install an on-off valve between the piping and the unit.
3. Install an on-off valve on the suction side and another on the delivery side of the pump unit.
4. Install a check valve between the unit and the pump unit.
5. Install a pressure gauge for the unit.
6. Install one or more diaphragm expansion tanks to limit the number of starts of the pump
unit.
Genyop_M0025_A_sc
4
1
5 4
4
8
2
7
6
7
4
3
Genyop_M0026_A_sc
4
1
5
4
4
1
5
4
4
8
2
3
4
O
U
T
IN
IN
OUT
7
7
6
6

Table of Contents

Related product manuals