EasyManua.ls Logo

Yamaha IPA8200 - Page 90

Yamaha IPA8200
96 pages
Print Icon
To Next Page IconTo Next Page
To Next Page IconTo Next Page
To Previous Page IconTo Previous Page
To Previous Page IconTo Previous Page
Loading...
<P. 12 / I2> <P. 12 / J2>
<P. 12 / I5>
<P. 12 / F6>
<P. 12 / B5>
<P. 12 / B4>
<P. 12 / G6>
<P. 12 / G6>
<P. 12 / F6> <P. 12 / G6>
0S5020144-12
to POWER (C-D)_CN904
<P. 18: I3>
to MOTHER E-H_CN59
<P. 15: B4>
to AMP (C)_CN1101
<P. 16: B5>
to AMP (C)_CN1100
<P. 16: B2>
to AMP (D)_CN1101
<P. 16: B5>
to AMP (D)_CN1100
<P. 16: B2>
XX : Not installed (未実装)
XXXX
XX
XX
XX
to REAR_CN18
<P. 7: F2>
J I HGFEDCBA
1
2
3
4
5
6
7
IPA8200
13
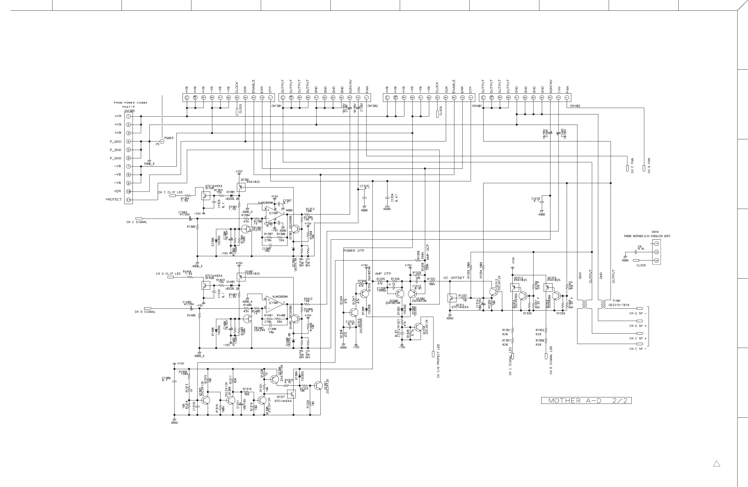
MOTHER A-D 2/2

Related product manuals