EasyManua.ls Logo

Yamaha IPA8200 - Page 92

Yamaha IPA8200
96 pages
Print Icon
To Next Page IconTo Next Page
To Next Page IconTo Next Page
To Previous Page IconTo Previous Page
To Previous Page IconTo Previous Page
Loading...
<P. 14 / I5>
<P. 14 / F6>
<P. 14 / G6>
<P. 14 / F6>
<P. 14 / B5>
<P. 14 / B4>
<P. 14 / G6>
<P. 14 / B3>
<P. 14 / G6>
<P. 14 / I2>
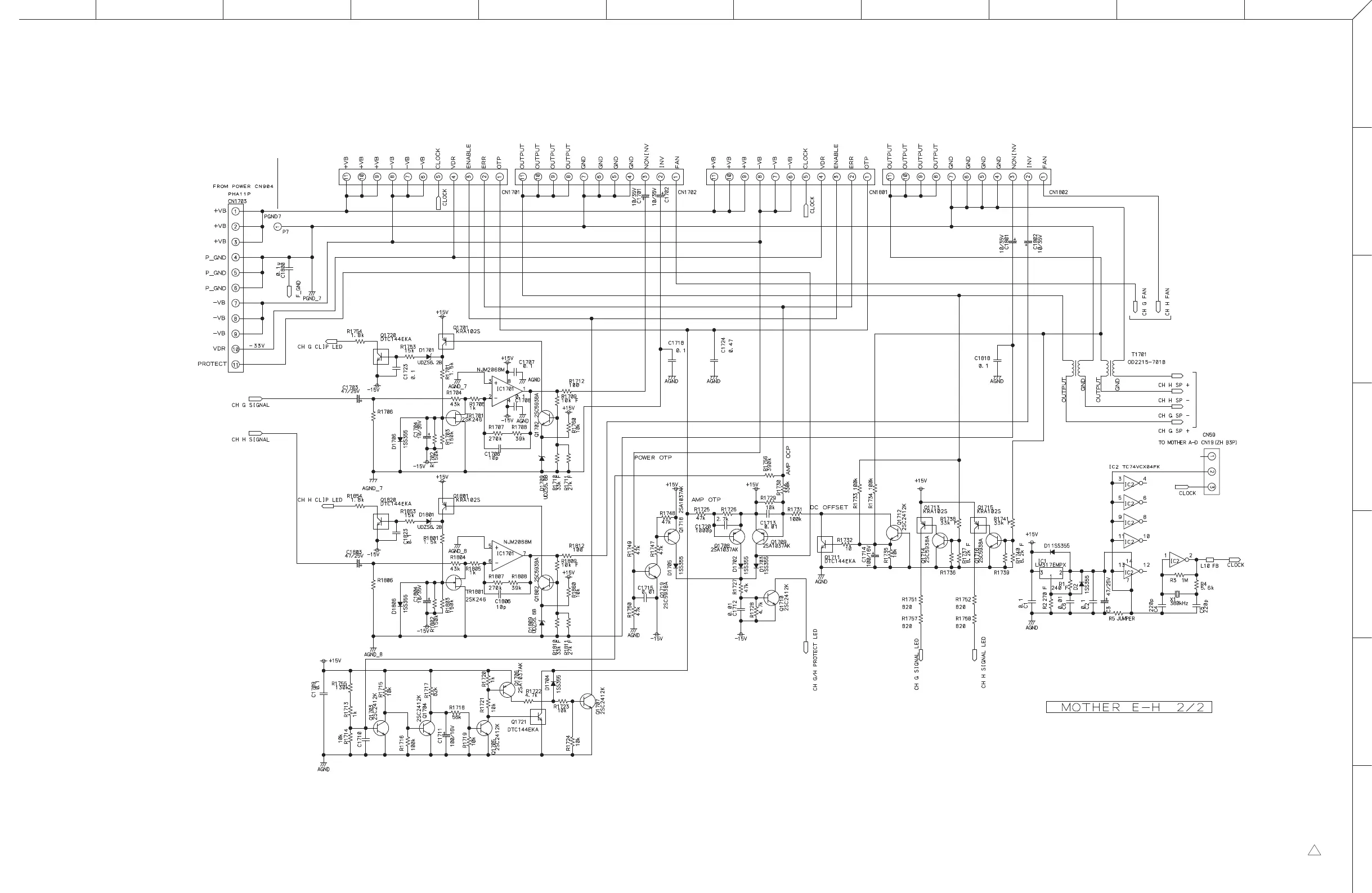
0S5020144-14
to MOTHER A-D_CN19
<P. 13: B4>
to AMP (G)_1101
<P. 16: B5>
to AMP (G)_1100
<P. 16: B5>
to AMP (H)_1101
<P. 16: B5>
to AMP (H)_1100
<P. 16: B2>
to POWER (G-H)_CN904
<P. 18: I3>
XX : Not installed (未実装)
XX
XX
XX
XX XX
to REAR_CN58
<P. 7: F3>
J I HGFEDCBA
1
2
3
4
5
6
7
IPA8200
15
MOTHER E-H 2/2

Related product manuals