EasyManua.ls Logo

Yamaha MX360 - Controls and Features; Machine Component Views

Yamaha MX360
32 pages
Print Icon
To Next Page IconTo Next Page
To Next Page IconTo Next Page
To Previous Page IconTo Previous Page
To Previous Page IconTo Previous Page
Loading...
3-1
ELEC
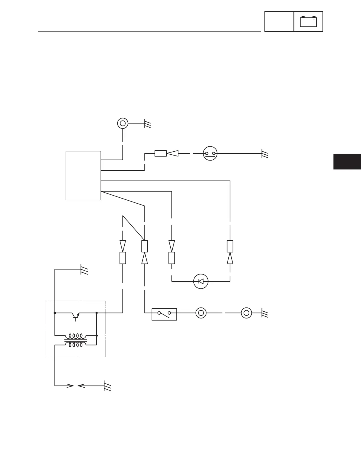
CIRCUIT DIAGRAM
L
B
B
B
B
B/W
B/W
B/W
Y
Y
R
R
1
2
3
4
5
6
1 Spark plug
2 TCI unit
3 Oil warning unit
4 Oil level switch
5 Oil warning light
6 Engine switch
Color code
B Black
L Blue
R Red
Y Yellow
B/W Black/White
ELECTRICAL
CIRCUIT DIAGRAM
3
7HC-F8197-11.indb 1 2015/09/01 14:08:21

Other manuals for Yamaha MX360

Related product manuals