EasyManua.ls Logo

Yamaha MX825 - ELECTRICAL SYSTEM; CIRCUIT DIAGRAM

Yamaha MX825
188 pages
Print Icon
To Next Page IconTo Next Page
To Next Page IconTo Next Page
To Previous Page IconTo Previous Page
To Previous Page IconTo Previous Page
Loading...
5-1
1
2
3
4
5
6
7
8
9
10
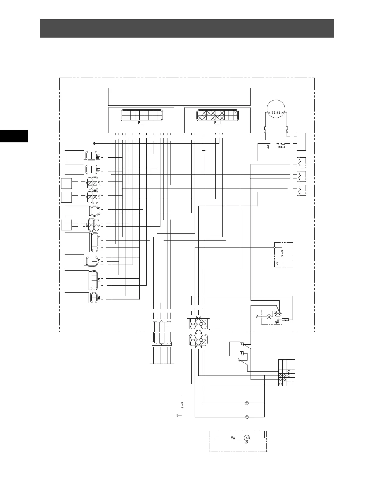
ELECTRICAL
ELECTRICAL
CIRCUIT DIAGRAM
W/R
Y
V
Br
250Ω
LED
(B) (Gy)
R/L
W
G
Br/G
L
G
Y
B
G
Br
B
V
R
W/B
B
L
Y
B/W
B
L/W
P/L
W/B
W
G/W
L/W
G
Br
P/L
B
G/Y
O
G/R
Gy
R
B
Gy
R/L
B
G/R
B
O
R
B/W
B
G
R
Gy
B
G/Y
Br
G/W
R/W
R/W
B
B
R
B
R
W
W
Y
L/O
Y/L
L/O
R
R
Y/L
R/Y
R/Y
R/Y
R/Y
R/Y
R/Y
R/Y
R/Y
R/Y
Y
VW
W/B
Br BG
P/L
BrG
L/WG/W
YLB
B/W
R
Gy
G/R
O
G/Y
B
Y/L
L/O
R/YR/Y
P/L
G
B
G/R
Y
L/W
O
BB
B
W/R
Br
G/W
B
Gy
G/Y
B
Y/L
Gy
B/W
B
V
L/O
RR
R/Y
R/Y
R/Y
R/Y
R/Y
R/Y
30A 10A10A
L
R
W/B
B
Y
G
R/L
G
W
Br/G
Br
OFF
ON
R/L
RB
Br/G
START
2
3
1
7
8
9
0
w
w
e
r
y
u
o
a
t
f
g
p
s
d
i
4
5
6
q

Table of Contents

Other manuals for Yamaha MX825

Related product manuals