EasyManua.ls Logo

Yamaha MX825 - ELECTRIC STARTING SYSTEM SERVICE

Yamaha MX825
188 pages
Print Icon
To Next Page IconTo Next Page
To Next Page IconTo Next Page
To Previous Page IconTo Previous Page
To Previous Page IconTo Previous Page
Loading...
5-37
1
2
3
4
5
6
7
8
9
10
ELECTRICAL
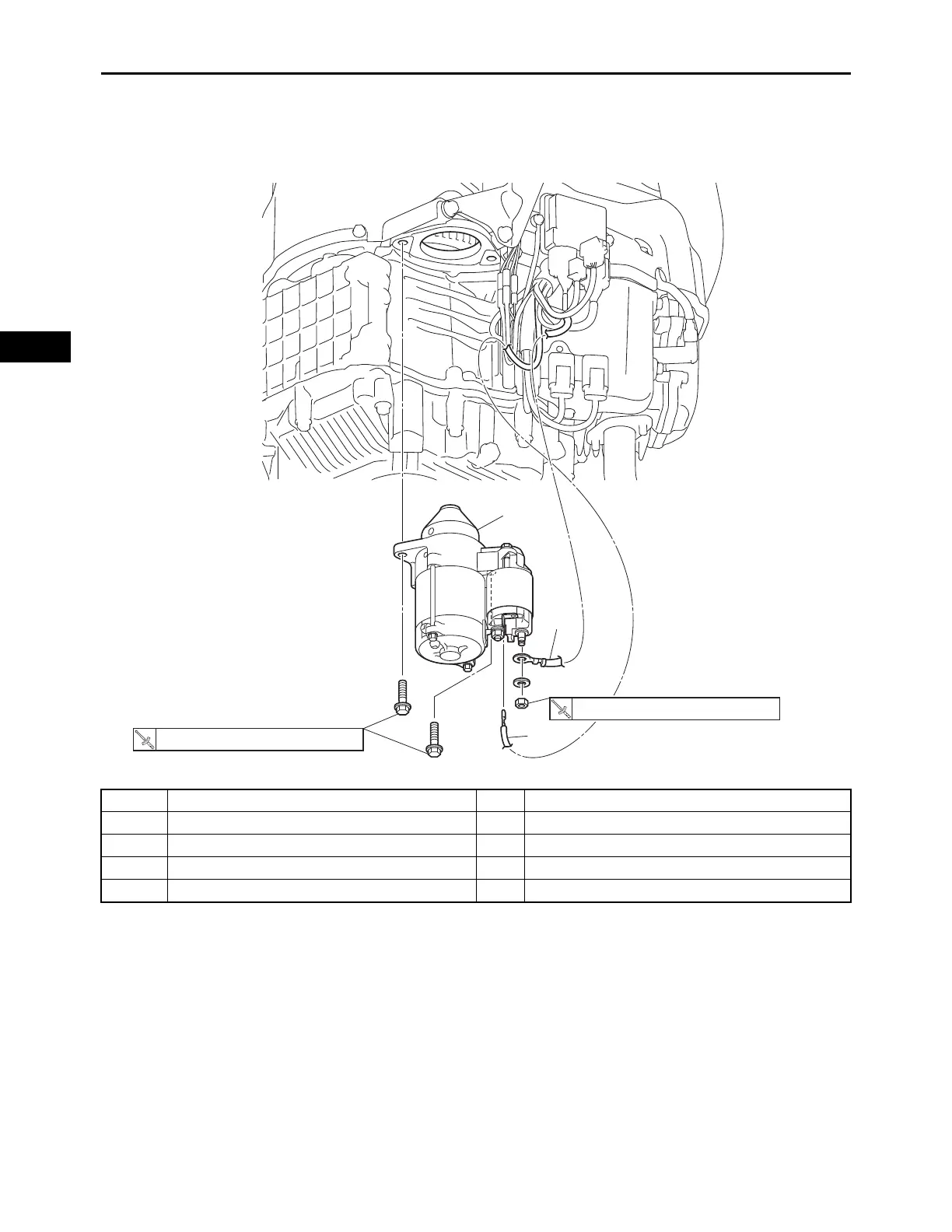
ELECTRIC STARTING SYSTEM
ELECTRIC STARTING SYSTEM
REMOVING THE STARTER MOTOR
Order Job/Parts to remove Q’ty Remarks
Removing the starter motor Remove the parts in the order listed.
1 Starter relay terminals 1 Disconnect.
2 Earth terminal 1 Disconnect.
3 Starter motor assembly 1
1
2
3
9 Nm (0.9 kgfm, 6.5 lbft)
23 Nm (2.3 kgfm, 17 lbft)

Table of Contents

Other manuals for Yamaha MX825

Related product manuals