EasyManua.ls Logo

Yamaha MX825 - Page 79

Yamaha MX825
188 pages
Print Icon
To Next Page IconTo Next Page
To Next Page IconTo Next Page
To Previous Page IconTo Previous Page
To Previous Page IconTo Previous Page
Loading...
3-39
1
2
3
4
5
6
7
8
9
10
ENGINE
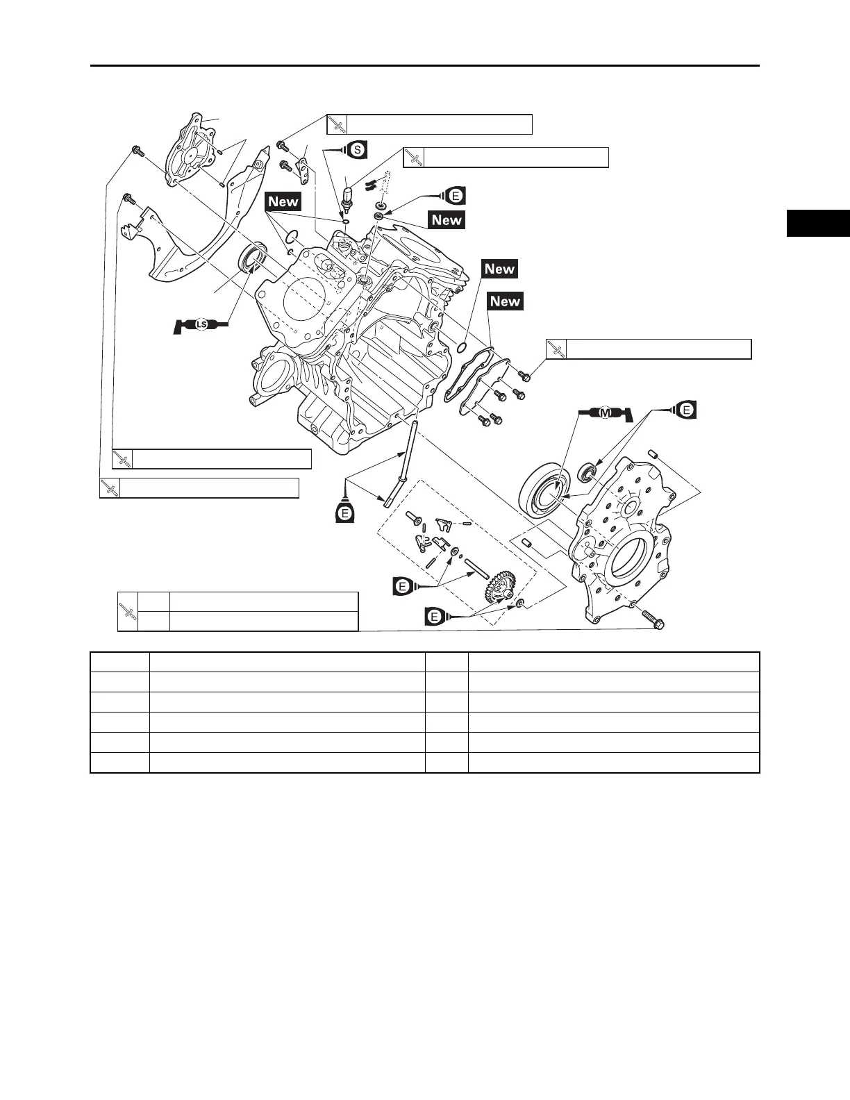
PISTONS, CAMSHAFT, CRANKCASE, AND CRANKSHAFT
Order Job/Parts to remove Q’ty Remarks
12 Cover 1 1
13 Dowel pin 2
14 Reed valve 1
15 Engine temperature sensor 1
16 Oil seal 1
12
13
14
15
16
(8)
(5)
(5)
9 Nm (0.9 kgfm, 6.5 lbft)
10 Nm (1.0 kgfm, 7.2 lbft)
10 Nm (1.0 kgfm, 7.2 lbft)
12 Nm (1.2 kgfm, 8.7 lbft)
7 Nm (0.7 kgfm, 5.1 lbft)
30 Nm (3.0 kgfm, 22 lbft)
12 Nm (1.2 kgfm, 8.7 lbft)
1st
2nd

Table of Contents

Other manuals for Yamaha MX825

Related product manuals