EasyManua.ls Logo

YASKAWA FP65U T Series - Standard Drive Connection Diagram

YASKAWA FP65U T Series
130 pages
Print Icon
To Next Page IconTo Next Page
To Next Page IconTo Next Page
To Previous Page IconTo Previous Page
To Previous Page IconTo Previous Page
Loading...
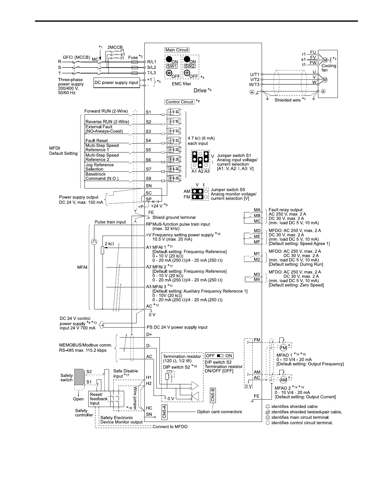
7 Electrical Installation
YASKAWA TOEPC7106171FD FP605 DRIVE INSTALLATION & PRIMARY OPERATION 27
Standard Drive Connection Diagram
Figure 7.1 Standard Drive Connection Diagram

Table of Contents

Related product manuals