EasyManua.ls Logo

YASKAWA SGDV-COA

YASKAWA SGDV-COA
363 pages
To Next Page IconTo Next Page
To Next Page IconTo Next Page
To Previous Page IconTo Previous Page
To Previous Page IconTo Previous Page
Loading...
3 Wiring and Connection
3.10.2 Precautions on Connecting Noise Filter
3-48
3.10.2 Precautions on Connecting Noise Filter
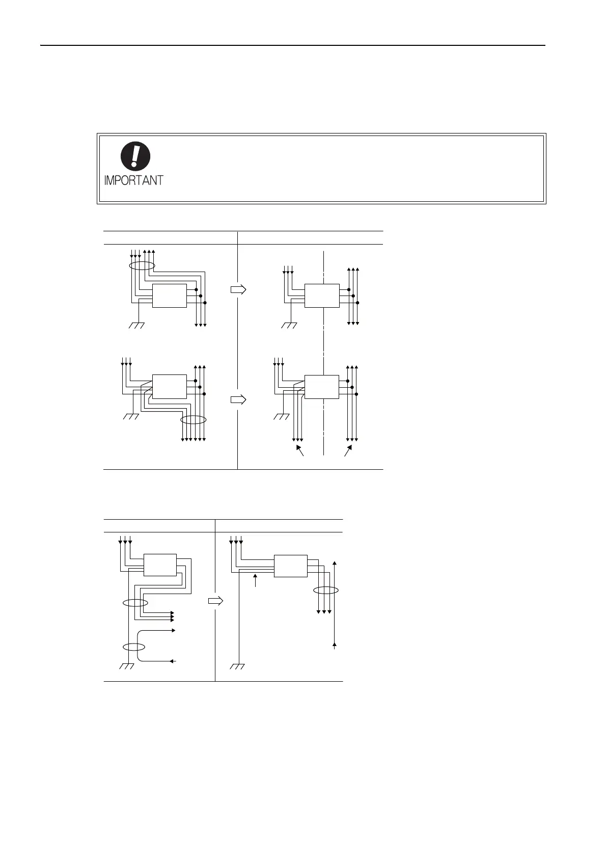
Always observe the following installation and wiring instructions.
Do not put the input and output lines in the same duct or bundle them together.
Separate the noise filter ground wire from the output lines.
Do not accommodate the noise filter ground wire, output lines and other signal lines in the same
duct or bundle them together.
Some noise filters have large leakage currents. The grounding measures taken also
affects the extent of the leakage current. If necessary, select an appropriate leakage cur-
rent detector or leakage current breaker taking into account the grounding measures that
are used and leakage current from the noise filter. Contact the manufacturer of the noise
filter for details.
Separate these circuits
Noise
Filter
Incorrect
Correct
Noise
Filter
Noise
Filter
Noise
Filter
Ground plate
Ground plate
Ground plate
Ground plate
Noise
Filter
Noise
Filter
The ground wire
can be close to
input lines.
Ground plate
Ground plate
Incorrect
Correct

Table of Contents

Related product manuals