EasyManua.ls Logo

YASKAWA SI-EP3 - Option Installation for CE Compliance with GA500

YASKAWA SI-EP3
68 pages
Print Icon
To Next Page IconTo Next Page
To Next Page IconTo Next Page
To Previous Page IconTo Previous Page
To Previous Page IconTo Previous Page
Loading...
10 European Standards
64 YASKAWA ELECTRIC TOBP C730600 89D YASKAWA AC Drive Option SI-EP3 Installation Manual
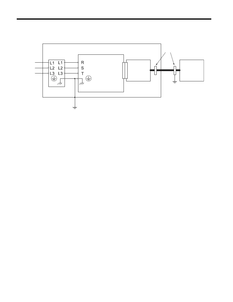
n Option Installation for CE Compliance with GA500
Figure 28
Figure 29 Option Installation for CE Compliance with GA500
Enclosure panel
Cable clamp
Drive
CN5 SI-
Communication
option
EMC filter
Master
Three
phase
power
supply
A1000
GEM_PROFINET_IM_E_conditional.book 64 ージ 019年2月21日 木曜日 午後337

Other manuals for YASKAWA SI-EP3

Related product manuals