EasyManua.ls Logo

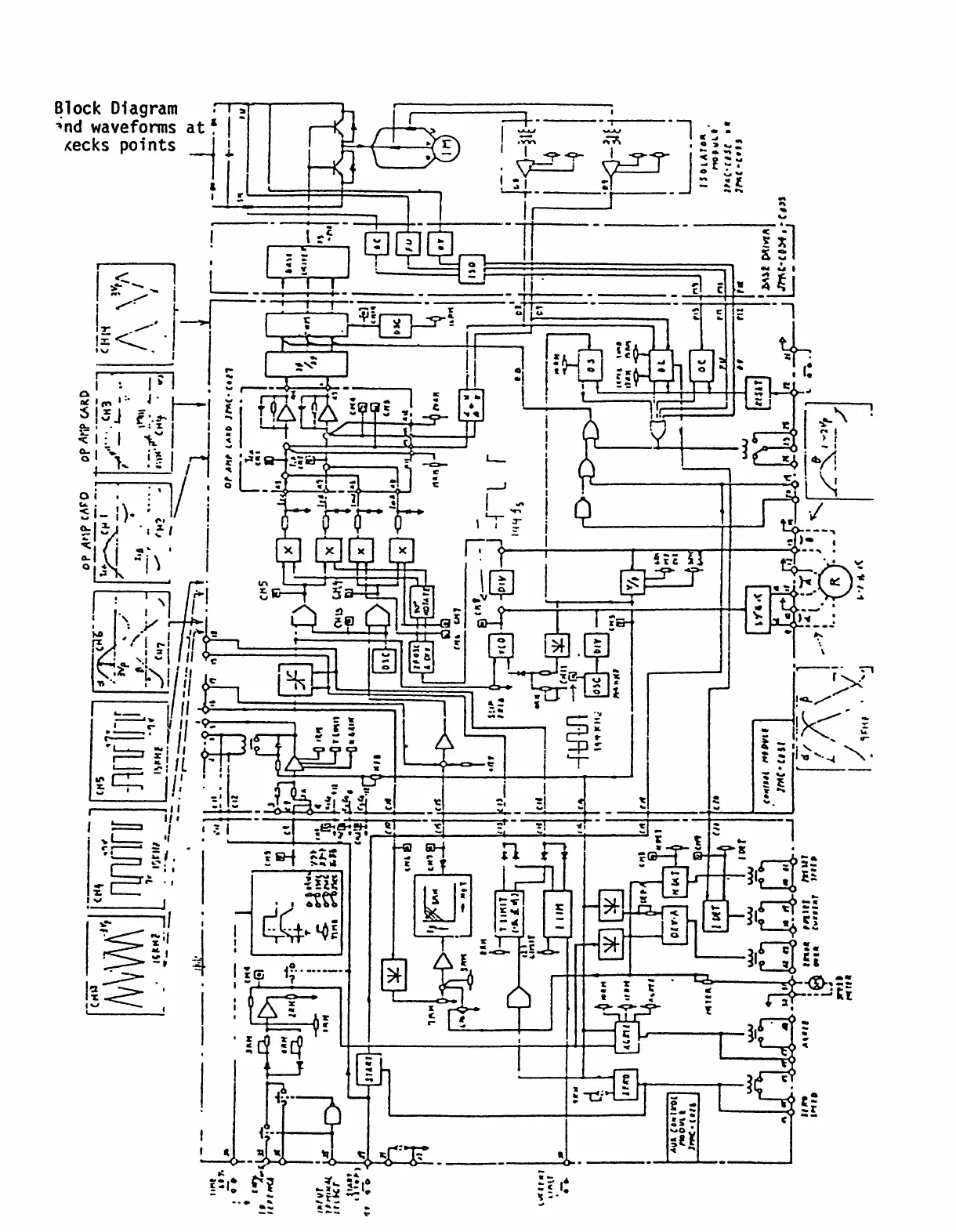
YASKAWA VS-626MT Series - Block Diagram and Waveforms

YASKAWA VS-626MT Series
28 pages
Print Icon
To Next Page IconTo Next Page
To Next Page IconTo Next Page
To Previous Page IconTo Previous Page
To Previous Page IconTo Previous Page
Loading...
Block
Diagram
-
%nd
waveforms
at`
necks
points
;
o
~
r-
I
s
o[
1 ,
a1
.
w
=
I
~p
1
01
1
rl
yr
~
v
L
z
V
~+
u
1
4
T

Related product manuals