7. EXPLOSION PROTECTED TYPE INSTRUMENTS
7- 4
All Rights Reserved. Copyright © 2006, Rota Yokogawa
IM 01R01B02-01E-E 5th edition October 01, 2020-00
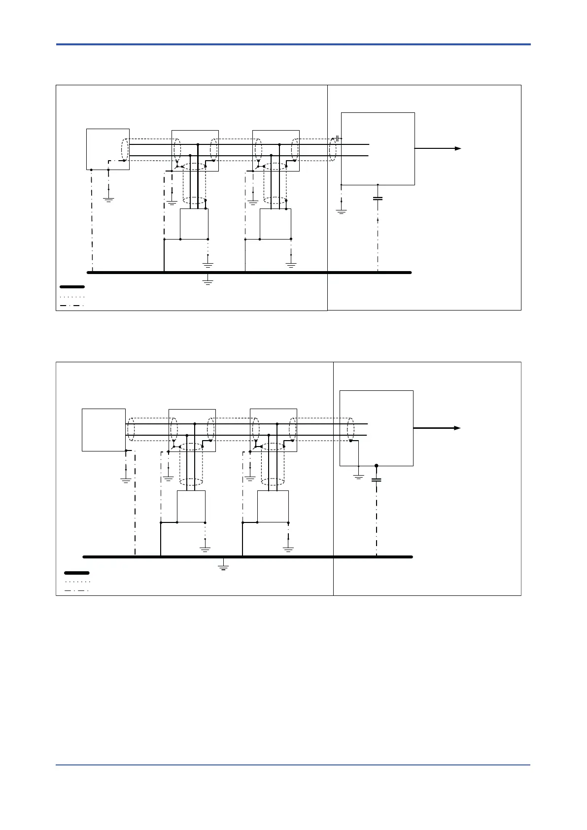
DP/PA-Coupler
Terminator
RAMC
PROFIBUS
PA
PROFIBUS DP
Host
FB +
FB -
Other
devices
T-Box
Optional Ground Bonding System
T-Box
Optional capacitance
Acc. to manufacturer specification
Optional capacitance
Optional ground (needed if Ground Bonding System not used)
Safe areaHazardous area
Figure 7.3
Possibility 2: Shield grounded in hazardous area
DP/PA-Coupler
Terminator
RAMC
PROFIBUS
PA
PROFIBUS DP
Host
FB +
FB -
Other
devices
T-Box
Optional Ground Bonding System
T-Box
Acc. to manufacturer specification
Optional
capacitance
Optional ground (needed if Ground Bonding System not used)
Safe areaHazardous area
Figure 7.4
Possibility 3: Shield grounded in safe area