EasyManua.ls Logo

Zapi 4Q - Console Map; Pallet Truck

Zapi 4Q
29 pages
Print Icon
To Next Page IconTo Next Page
To Next Page IconTo Next Page
To Previous Page IconTo Previous Page
To Previous Page IconTo Previous Page
Loading...
Page 14
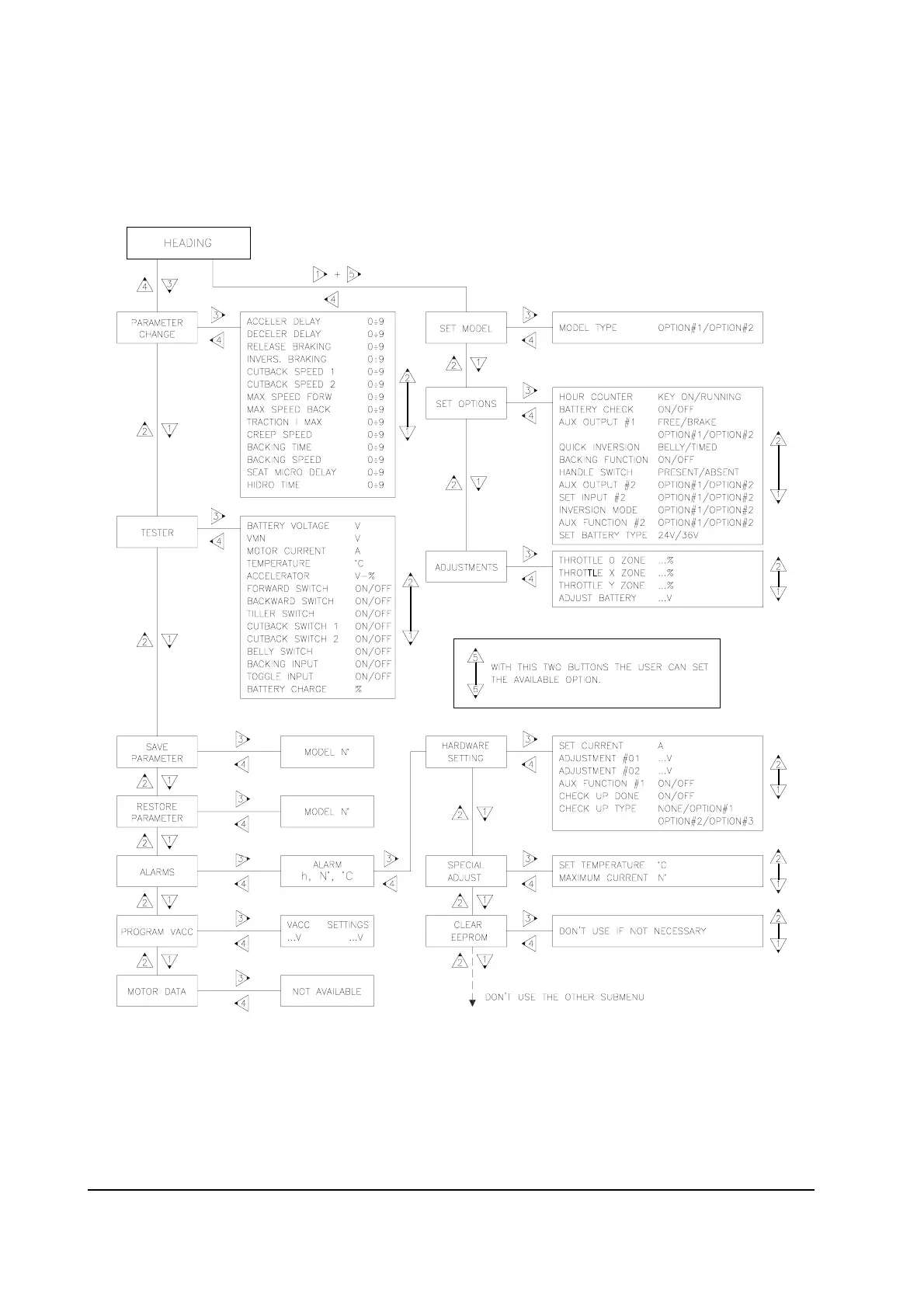
3.2 CONSOLE MAP
3.2.a Pallet truck

Related product manuals