EasyManua.ls Logo

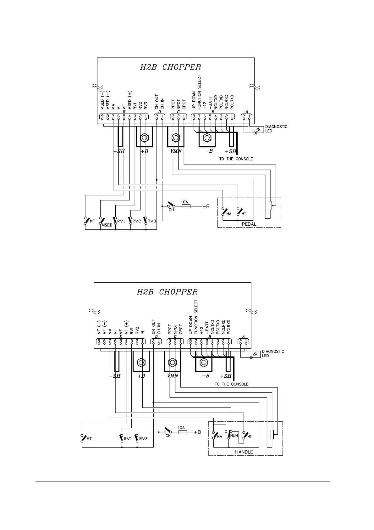
Zapi ZAPIMOS H2 96V 400A - H2 B REGENERATIVE TRACTION; Wiring diagram for H2 B regenerative model with pedal

Zapi ZAPIMOS H2 96V 400A
67 pages
Print Icon
To Next Page IconTo Next Page
To Next Page IconTo Next Page
To Previous Page IconTo Previous Page
To Previous Page IconTo Previous Page
Loading...
Page 28
5.1.5 Wiring diagram for H2B regenerative model with pedal
5.1.6 Wiring diagram for H2B regenrative model with handle
H2B regenerative traction

Table of Contents

Related product manuals