EasyManua.ls Logo

Zapi ZAPIMOS H2 96V 400A - H2 B LIFTING DIAGNOSIS

Zapi ZAPIMOS H2 96V 400A
67 pages
Print Icon
To Next Page IconTo Next Page
To Next Page IconTo Next Page
To Previous Page IconTo Previous Page
To Previous Page IconTo Previous Page
Loading...
Page 59
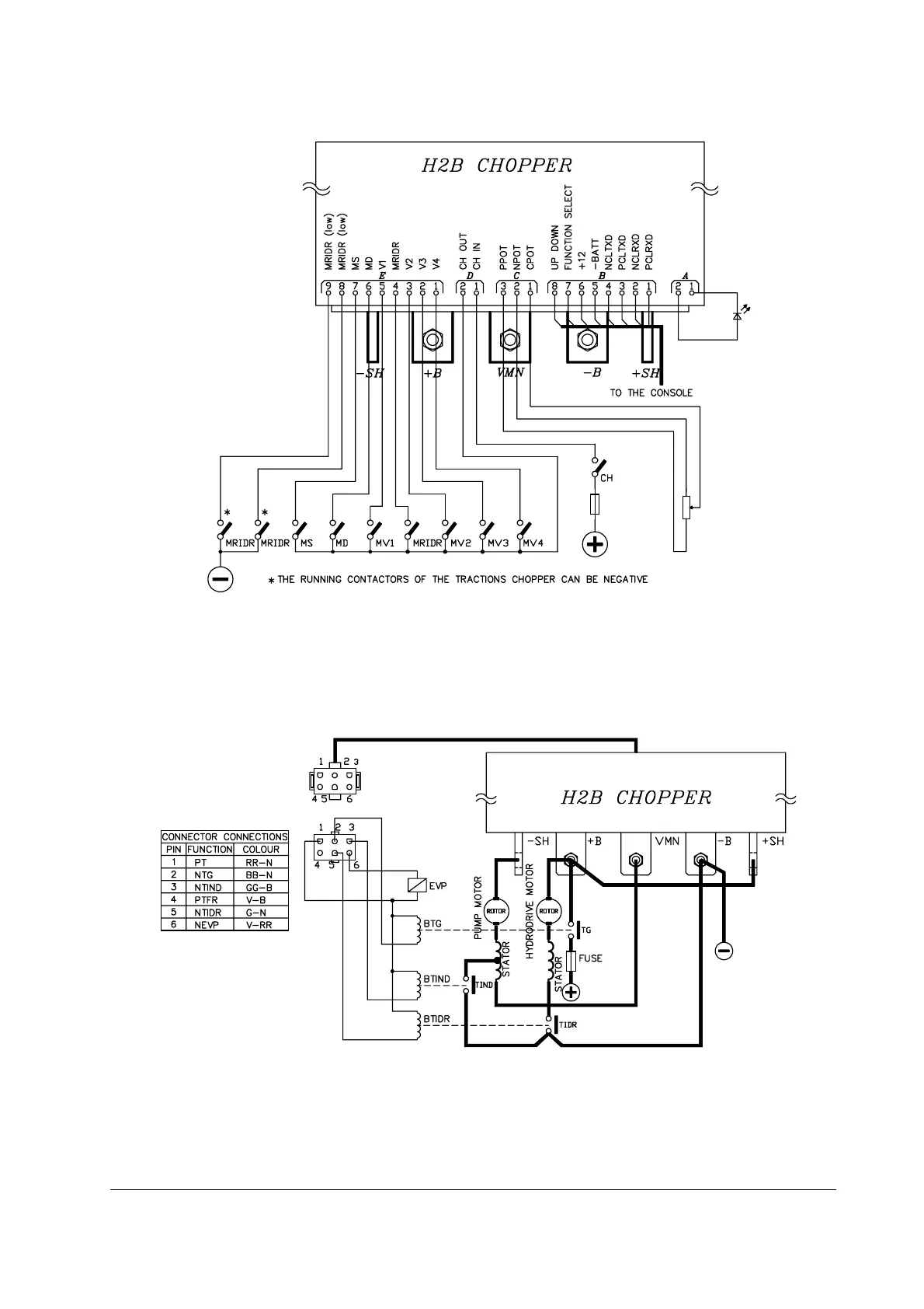
6.2.4 H2B electrical connection diagrams pump + hydro
6.2.5 H2B power unit wiring lifting + hydroguide + weakening
H2B lifting + 3rd motor

Table of Contents

Related product manuals