EasyManua.ls Logo

Zapi ZAPIMOS H2 96V 400A - H2 B LIFTING + 3 rd MOTOR

Zapi ZAPIMOS H2 96V 400A
67 pages
Print Icon
To Next Page IconTo Next Page
To Next Page IconTo Next Page
To Previous Page IconTo Previous Page
To Previous Page IconTo Previous Page
Loading...
Page 55
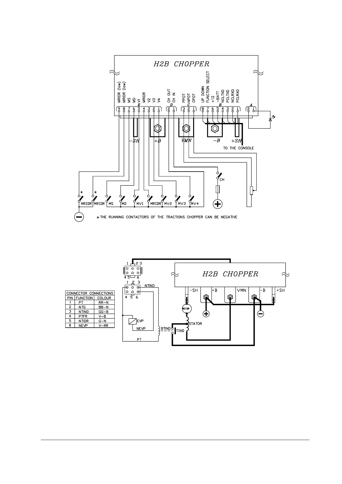
6.1.5 H2B electrical connection diagram standard lifting
6.1.6 Connection diagram for H2B pump unit with weakening
H2B standard lifting

Table of Contents

Related product manuals