EasyManua.ls Logo

Zapi ZAPIMOS H2 96V 400A - Input connectors; Programmable functions (OPTIONS); H2 B LIFTING + 3 rd MOTOR; Parameter modifications h2 b configuration pump + 3 rd motor

Zapi ZAPIMOS H2 96V 400A
67 pages
Print Icon
To Next Page IconTo Next Page
To Next Page IconTo Next Page
To Previous Page IconTo Previous Page
To Previous Page IconTo Previous Page
Loading...
Page 56
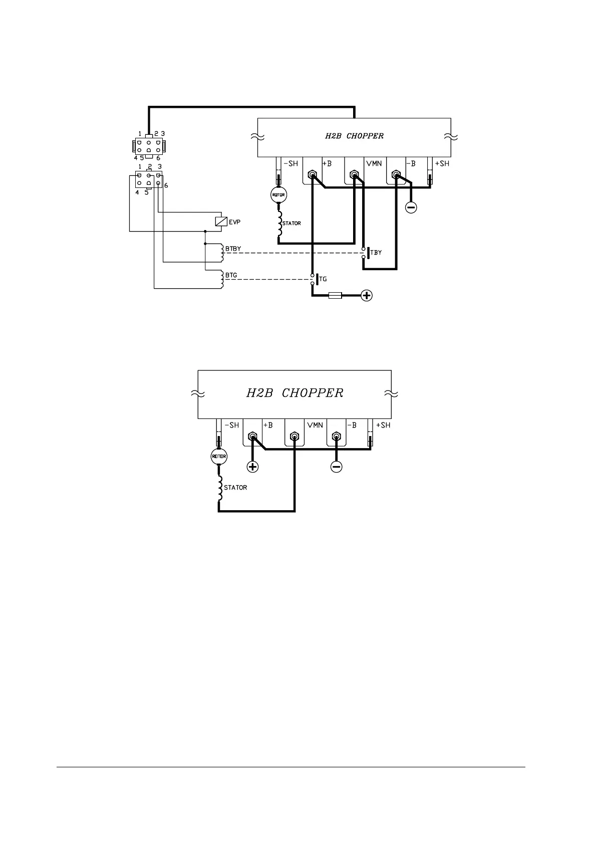
6.1.7 Connection diagram for H2B pump unit, with by-pass contactor and main
contactor
6.1.8 H2B power unit standard connection diagram
H2B standard lifting

Table of Contents

Related product manuals