EasyManua.ls Logo

Zapi ZAPIMOS H2 96V 400A - H2 B TRACTION DIAGNOSIS

Zapi ZAPIMOS H2 96V 400A
67 pages
Print Icon
To Next Page IconTo Next Page
To Next Page IconTo Next Page
To Previous Page IconTo Previous Page
To Previous Page IconTo Previous Page
Loading...
Page 39
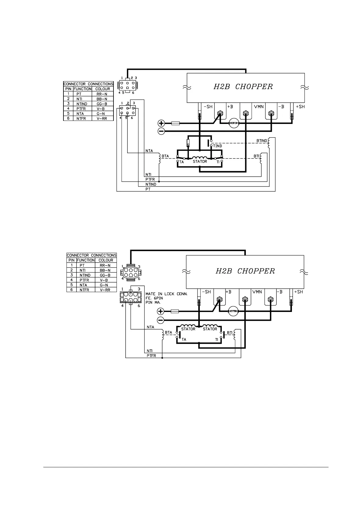
5.2.7 Wiring diagram for H2B power unit standard traction with weakeening
5.2.8 Wiring diagram for H2B power standard with 5 cables motor
H2B standard traction

Table of Contents

Related product manuals