EasyManua.ls Logo

3M 3M-Matic 7000r3 Pro - Electric Diagrams

3M 3M-Matic 7000r3 Pro
190 pages
To Next Page IconTo Next Page
To Next Page IconTo Next Page
To Previous Page IconTo Previous Page
To Previous Page IconTo Previous Page
Loading...
54
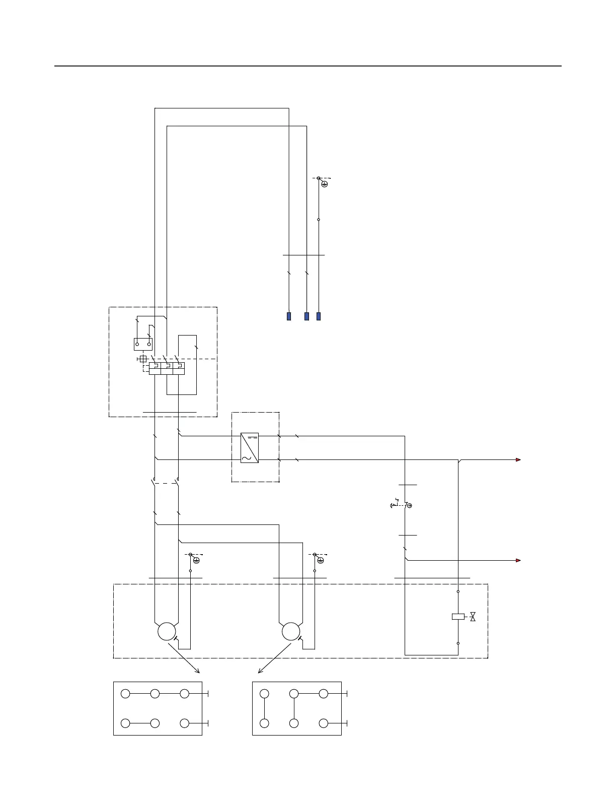
16-TECHNICAL DIAGRAMS
16.1 Electric Diagram
Power
Supply
S1
E-Stop
Motor Connection
Motor Connection
1
1 N 5
D1
QM2
1L1
KM1
2N1
D2
2 N 6
11
12
1
2
3
4
2 PE
24V
24V
0V
0V
Continued
on
Next Page
Continued
on
Next Page
PE
PEPE
X1
X1
X1
X1 PE
0V
2
PE
M1
M1
U1 U1 V1
M2
M
1~
M
1~
PE
L1 N
7000r-7000r3 Pro - NA
2014 June
(continued on next page)
X1 PE

Table of Contents

Related product manuals