EasyManua.ls Logo

AAON RSMD-CM - A1;B1 and A2;B2 Condenser Wiring

AAON RSMD-CM
43 pages
Print Icon
To Next Page IconTo Next Page
To Next Page IconTo Next Page
To Previous Page IconTo Previous Page
To Previous Page IconTo Previous Page
Loading...
39
RSMD-CM Technical Guide
APPENDIX A: CONDENSER OPTIONS
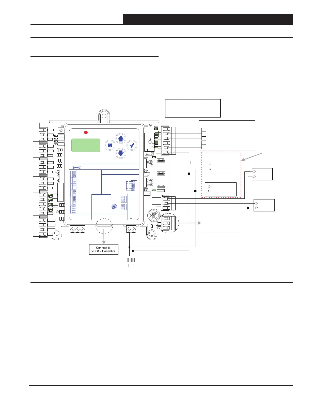
A1/B1 and A2/B2 Condenser Conguration
A1/B1 and A2/B2 Condenser Conguration
See Figure 14, this page and Figure 15, page 40 for A1/B/1
and A2/B2 wiring. Refer to Figure 16, page 41 for Prism 2
conguration, Modular Service Tool Screen selection, and HVAC
unit application.
GND
18-30
VAC
Line Voltage
NOTE:
All relay outputs are normally open
and rated for 24 VAC power only.
1 Amp maximum load.
24 VAC ONLY
COMPRESSOR A1 ENABLE
COMPRESSOR A2 ENABLE
CONDENSER A1/B1 ENABLE
CONDENSER A2/B2 ENABLE
REVERSING VALVE A1/B1
Digital Compressor 2
Signal A1/B1
Condenser
Condenser
Signal A2/B2
Wires to VCCX2
Loop Communications
connector when used on
a split system.
GND
+
GND
+
COM
+
COM
+
GND
TEMP3
TEMP2
TEMP1
TB9
GND
+5V
D12
BIN4
D11
BIN3
D10
BIN2
D9
BIN1
TB12
GND
HP-2
+5V
TB8
GND
J1
C
C
SP-2
+5V
TB6
GND
HP-1
+5V
TB3
POWER
COMM
ALARM
STATU
GND
SP-1
+5V
TB4
YS102632 REV 1
R30
4751
R1
R34
4751
R2
4751 R38
R3
4751
R42
R4
4751
R58
R5
COM
V6
TB7
COMP1
24VAC
P6
COMP2
TB11
AOUT 1
AOUT 2
GND
P2
HH485
R+
GND
T-
TB2
C20
.01uF
I
O
I
O
OMRON
G5Q-1A4
DC12V
SA
5A30VDC
CHINA 10A250VAC~
R14
R27
R28
R31
R32
R35
R36
R39
R40
R44
R43
C43
R49
R48
R56
R54
1002
1002
1002
1002
1002
1002
.1uF
1002
1002
.1uF
1002
1002
.1uF
1002
1002
.1uF
1002
1002
.1uF
1002
1002
SERIAL #
ALARM
UP
DOWN
ENTERMENU
AAON P/N:ASM06709
+24 VAC
GND
RELAY CONTACT
RATING IS 1 AMP
MAX @ 24 VAC
CONDENSER 1
COMP 1
COMP 2
ANALOG OUT
REVERSING VALV E
COMMON
RELAY OUTPUT
TERMINALS
LABEL P/N:
G102070
COND 1
COND 2
GND
24 VAC
POWER ONLY
WARNING!
POLARITY
MUST BE
OBSERVED
OR THE
CONTROLLER
WILL BE
DAMAGED
CONDENSER 2
HEAD PRES 1
+5 V
+5 V
COMP DIS 1
COMP 1
SP-1
HP-1
COMP DIS 2
COMP 2
GND
GND
OA COIL/ POWF
EMER SHDN
GND
LEAVING H20
GND
SUCTION PRES 2
HEAD PRES 2
+5 V
+5 V
SP-2
HP-2
GND
GND
R+
SHD
T-
R+ SHD T-
E-BUS
DUAL E-BUS
EXPANSION
RSMD-CM
www.aaon.com
SUCTION PRES 1
Only used when unit
is controlling digital
compressors
Digital Compressor 1
Unloader
Figure 14: A1/B1 Wiring

Table of Contents

Related product manuals