EasyManua.ls Logo

ABB Industrial IT enabled REX 521 - Terminal diagram of REX 521: Medium

ABB Industrial IT enabled REX 521
72 pages
Print Icon
To Next Page IconTo Next Page
To Next Page IconTo Next Page
To Previous Page IconTo Previous Page
To Previous Page IconTo Previous Page
Loading...
42
1MRS 751108-MUM
3URWHFWLRQ5HOD\
Technical Reference Manual, General
5(;
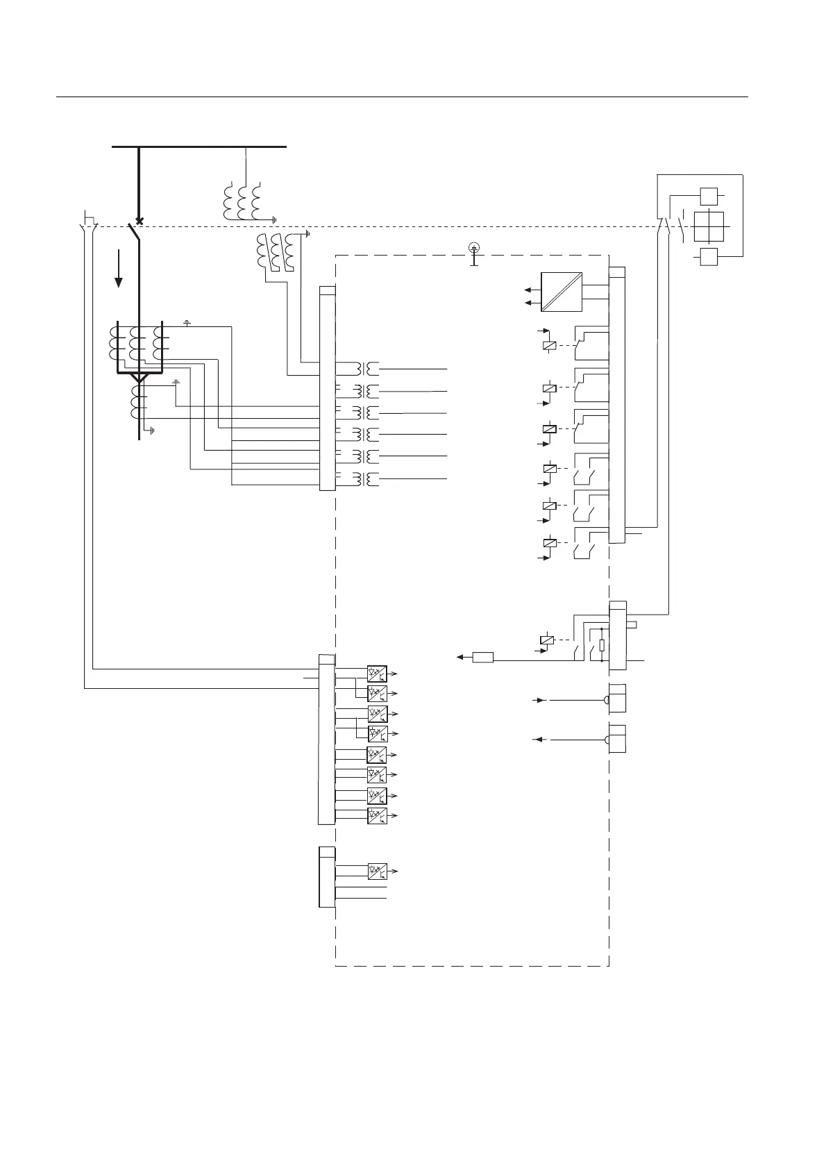
 7HUPLQDOGLDJUDPRI5(;0HGLXP
)LJ 7HUPLQDOGLDJUDPRI5(;0HGLXP
1A
5A
1A
0,2A
100V
1A
5A
1A
5A
1A
5A
X1.1
16
15
14
13
12
11
8
7
6
5
4
3
2
1
10
9
18
X4.2
DI1
DI2
DI3
DI4
DI5
DI6
DI7
DI8
5
6
7
8
9
10
11
12
13
14
15
16
17
18
1
2
X3.1
DI9
IRF
3
8
7
6
10
11
9
5
4
SO1
+
-
X4.1
1
2
SO2
12
13
PO1
PO2
PO3
14
15
17
18
TCS1
HSPO1
X4.2
3
4
1
2
Block_Medium_a
X3.2
X3.3
CT1
CT2
CT3
CT4
CT5
VT1
I
L3
I
L2
U
0
I
0
I
0B
I
L1
9
10
RS-485
DATA A
DATA B
S1
S2
S1
S2
P1
P2
L3
L1
L3
L1
A
N
da
dn
+
Q0
0
I
-
-
*)
-
+
+
**)
Mains
ACFail
SERIAL BUS
SERIAL BUS
TempAlarm
*) Power flow direction
**) The jumper is not assembled by default
when the protection relay is delivered

Table of Contents

Related product manuals