EasyManua.ls Logo

ABB Industrial IT enabled REX 521 - Terminal diagram of REX 521: Sensor

ABB Industrial IT enabled REX 521
72 pages
Print Icon
To Next Page IconTo Next Page
To Next Page IconTo Next Page
To Previous Page IconTo Previous Page
To Previous Page IconTo Previous Page
Loading...
44
1MRS 751108-MUM
3URWHFWLRQ5HOD\
Technical Reference Manual, General
5(;
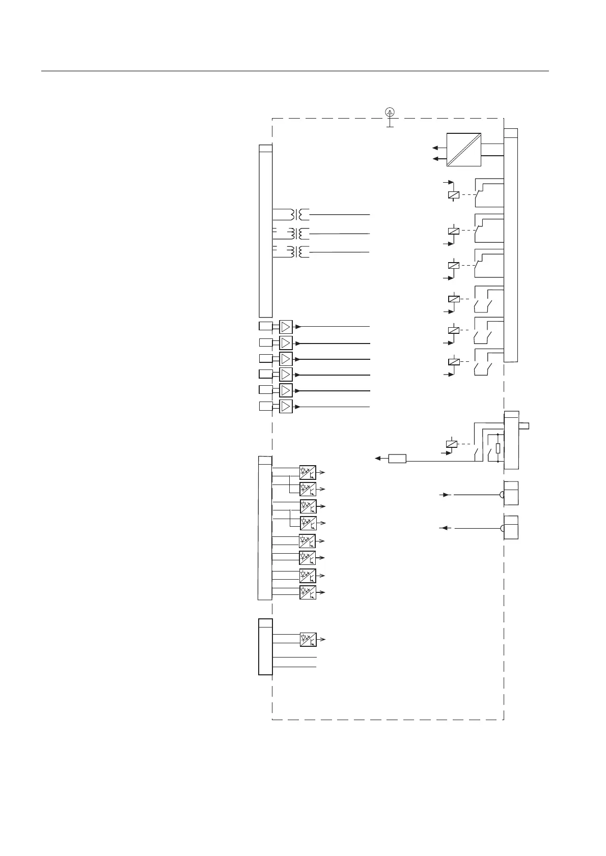
 7HUPLQDOGLDJUDPRI5(;6HQVRU
)LJ 7HUPLQDOGLDJUDPRI5(;6HQVRU
1A
5A
1A
0,2A
100V
X1.1
16
15
14
13
12
11
8
7
6
5
4
3
2
1
10
9
19
18
22
21
27
25
24
X2.1
X2.2
X2.3
DIFF
DIFF
DIFF
X2.4
X2.5
X2.6
DIFF
DIFF
DIFF
X4.2
DI1
DI2
DI3
DI4
DI5
DI6
DI7
DI8
5
6
7
8
9
10
11
12
13
14
15
16
17
18
1
2
X3.1
DI9
IRF
3
8
7
6
10
11
9
5
4
SO1
+
-
X4.1
1
2
SO2
12
13
PO1
PO2
PO3
14
15
17
18
TCS1
HSPO1
X4.2
3
4
1
2
Block_HighSensor_a
X3.2
X3.3
CT4
CT5
VT1
I
0
I
0B
*)
U
0
**)
RS-485
DATA A
DATA B
9
10
Voltage input, U
3
Voltage input, U
2
Voltage input, U
1
Current input, I
L2
Current input, I
L3
Sensor
Sensor
Sensor
Sensor
Sensor
Sensor
Current input, I
L1
Mains
ACFail
SERIAL BUS
SERIAL BUS
TempAlarm
VD3
VD2
VD1
RS3
RS2
RS1
**) The jumper is not assembled by default
when the protection relay is delivered
*) Connected to U12b in H01S and H03S

Table of Contents

Related product manuals