EasyManua.ls Logo

ABB KPM KB2 - Description; System components

ABB KPM KB2
44 pages
Print Icon
To Next Page IconTo Next Page
To Next Page IconTo Next Page
To Previous Page IconTo Previous Page
To Previous Page IconTo Previous Page
Loading...
2
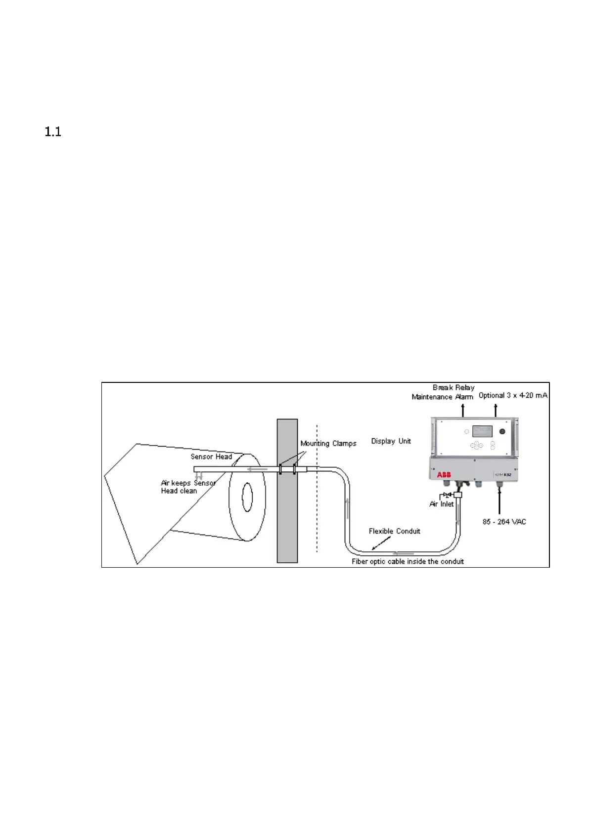
1 Description
System components
KPM KB2 fiber optic sheet break detection system contains:
Sensor head installed above or under the web.
Fiber optic cable protected with a flexible conduit.
Display unit housing the light source, detector, and the measurement computer.
KPM KB2 is a solution to high temperature sheet break applications. The light source, detector,
and electronics are isolated from the high temperature environment by a 6 m (20'), 9 m (30') or
12 m (40') fiber optic cable. While the sensor head is exposed to high temperatures, the
electronics is mounted in a less hostile environment.
Sensor head "eye" holes are kept clean by purging instrument air through the sensor housing.
Flowing air keeps the eyelet holes clean and prevents dirt or steam from contaminating the
active optic surfaces. Purging air helps also to keep the sensor head temperature lower in high
temperature applications.
KPM KB2 requires clean instrument air at 0.5 3.0 bar (7 - 40 psi), the rotameter or pressure
regulator can be used for the easy detection of airflow.
Fig. 1.1. KPM KB2 system components. Fiber optic cable can be 6, 9 or 12 m long.

Related product manuals