EasyManua.ls Logo

ABB PT003915 - Cover Plate Drawing; Fig. 44: Cover Plate Drawing; Table 52: Cover Plate Dimensions [MM]

ABB PT003915
116 pages
Print Icon
To Next Page IconTo Next Page
To Next Page IconTo Next Page
To Previous Page IconTo Previous Page
To Previous Page IconTo Previous Page
Loading...
Operation Manual / Power2 340-H / High-pressure stage
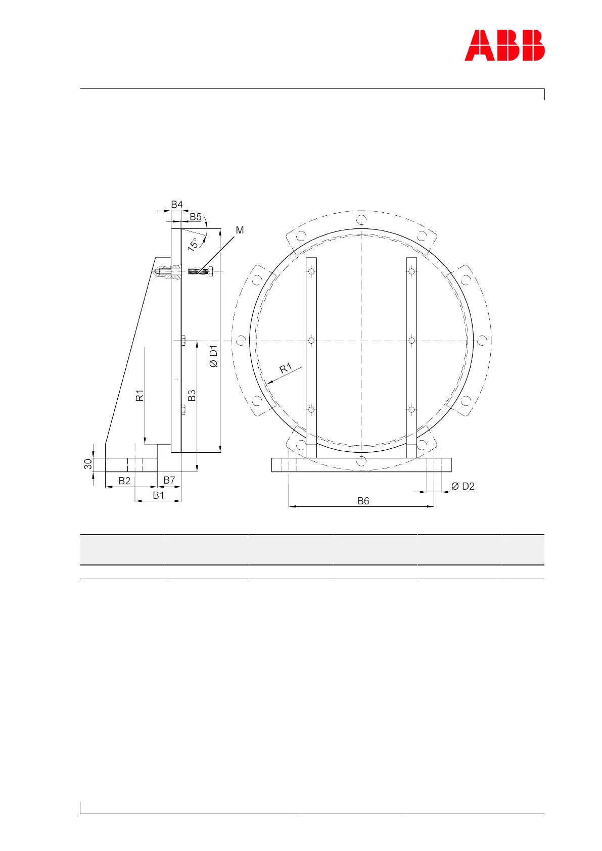
10 Taking out of operation at short notice / 10.4 Cover plate drawing
© Copyright 2022 ABB. All rights reserved. HZTL4054_EN Rev.F March 2022
10.4 Cover plate drawing
The cover plate is not included in the Turbo Systems scope of delivery and must be manufac-
tured by the operating company according to the following drawing.
Material: General structural steel, in accordance with DINEN10025-2.
Fig.44: Cover plate drawing
B1
± 0.5
B2 B3 B4
± 0.2
B5 B6 B7 ØD1
± 0.2
ØD2 R1 M
82.5 70 158 20 2 212 47.9 251.2 25 ≤115 M8
Table52: Cover plate dimensions [mm]
Page 91 / 114

Table of Contents

Related product manuals