EasyManua.ls Logo

Advantage Maximum MG Series - Page 73

Advantage Maximum MG Series
90 pages
Print Icon
To Next Page IconTo Next Page
To Next Page IconTo Next Page
To Previous Page IconTo Previous Page
To Previous Page IconTo Previous Page
Loading...
update 08/02/2021
Maximum Series Portable Chiller : Air & Water-Cooled : MG Series Instrument
Page: 73
ADVANTAGE ENGINEERING, INC.
525 East Stop 18 Road Greenwood, Indiana 46142
317-887-0729 Fax: 317-881-1277
Service Department Fax: 317-885-8683
Email: service@AdvantageEngineering.com
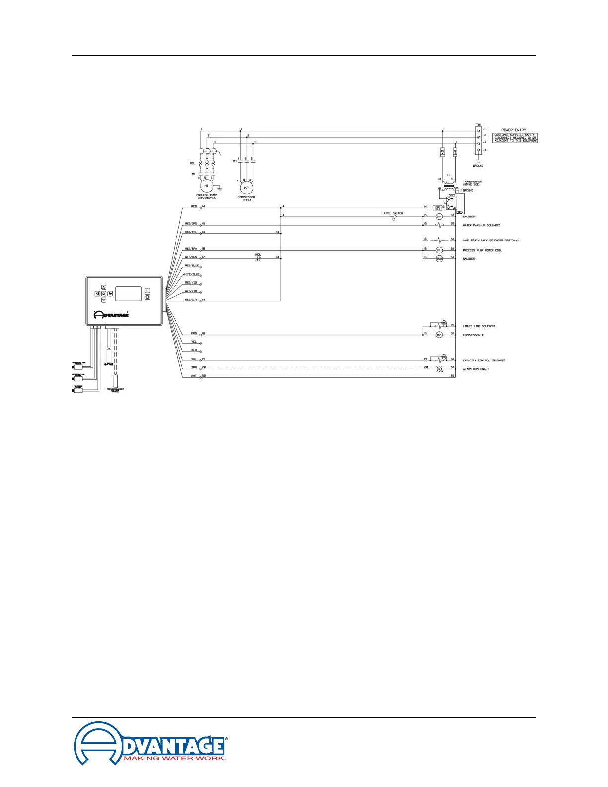
7.6 TYPICAL ELECTRICAL DRAWING - WATER COOLED
Electrical schematic is presented for illustration purposes only.
For exact details, consult the electrical drawing supplied with your machine.
This electrical is shown with optional UL panel components. The GFCI would not be standard.

Table of Contents