EasyManua.ls Logo

Advantage Maximum MG Series - Page 72

Advantage Maximum MG Series
90 pages
Print Icon
To Next Page IconTo Next Page
To Next Page IconTo Next Page
To Previous Page IconTo Previous Page
To Previous Page IconTo Previous Page
Loading...
Maximum Series Portable Chiller : Air & Water-Cooled : MG Series Instrument
update 08/02/2021
Page: 72
ADVANTAGE ENGINEERING, INC.
525 East Stop 18 Road Greenwood, Indiana 46142
317-887-0729 Fax: 317-881-1277
Service Department Fax: 317-885-8683
Email: service@AdvantageEngineering.com
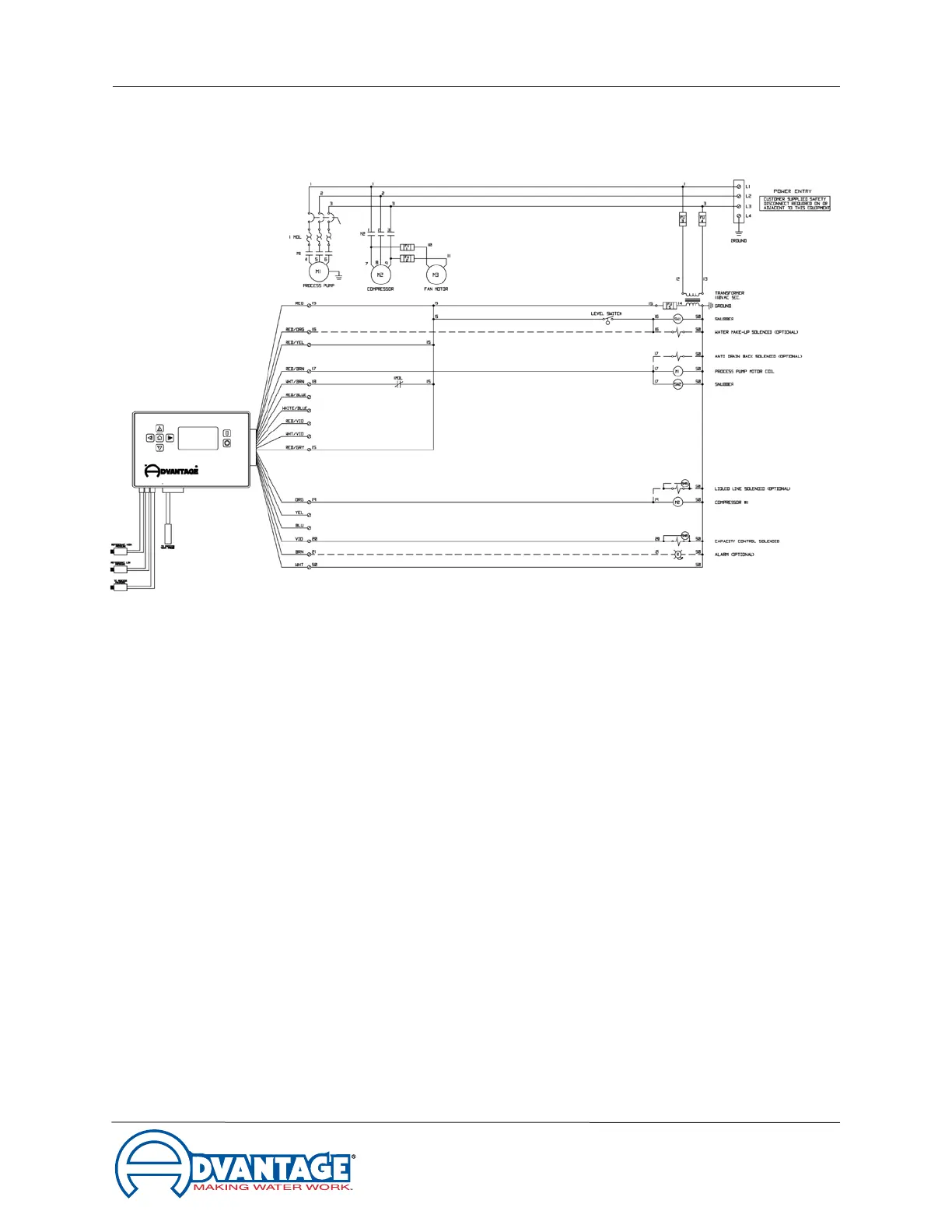
7.5 TYPICAL ELECTRICAL DRAWING - AIR COOLED
Electrical schematic is presented for illustration purposes only.
For exact details, consult the electrical drawing supplied with your machine.

Table of Contents