EasyManua.ls Logo

Advantage Maximum MG Series - Page 71

Advantage Maximum MG Series
90 pages
Print Icon
To Next Page IconTo Next Page
To Next Page IconTo Next Page
To Previous Page IconTo Previous Page
To Previous Page IconTo Previous Page
Loading...
update 08/02/2021
Maximum Series Portable Chiller : Air & Water-Cooled : MG Series Instrument
Page: 71
ADVANTAGE ENGINEERING, INC.
525 East Stop 18 Road Greenwood, Indiana 46142
317-887-0729 Fax: 317-881-1277
Service Department Fax: 317-885-8683
Email: service@AdvantageEngineering.com
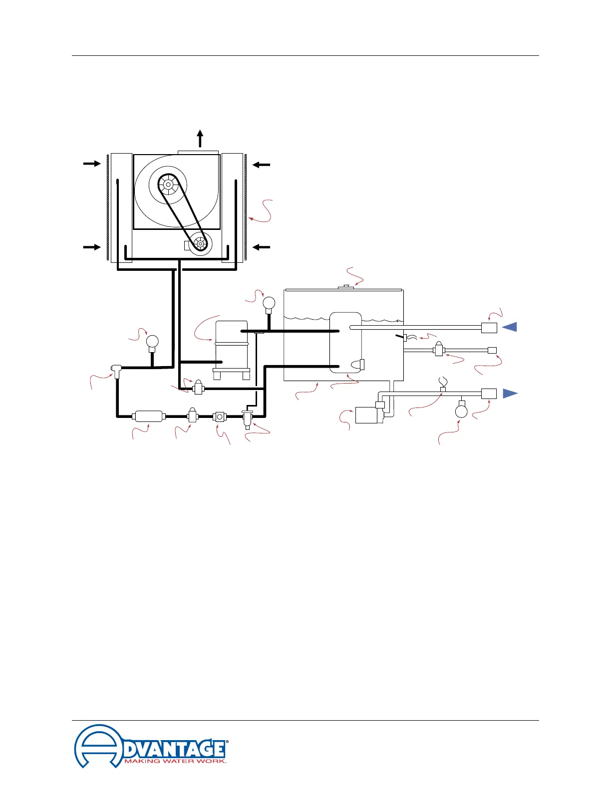
7.4 MECHANICAL SCHEMATIC : AIR-COOLED : 25 - 30 TON MODELS
AND 5 - 20 TON MODELS WITH OPTIONAL CENTRIFUGAL BLOWER
AIR-COOLED CONDENSER w/blower
COOLANT PUMP
TO PROCESS
SENSOR PROBE
TO PROCESS
PORT CONNECTION
MAKE-UP PORT
CONNECTION
MAKE-UP
SOLENOID VALVE
LEVEL SWITCH
FROM PROCESS
PORT CONNECTION
RESERVOIR TANK
EXPANSION VALVE
EVAPORATOR
SERVICE LID AND FILL PORT
REFRIGERANT
SIGHT GLASS
LIQUID LINE
SOLENOID VALVE
FILTER-DRIER
SERVICE
VALVE
HOT GAS
BYPASS VALVE
(not included onmodels with
Digital Scroll Compressors)
COMPRESSOR
HPT
HIGH PRESSURE
TRANSMITTER
LPT
LOW PRESSURE
TRANSMITTER
CPT
COOLANT PRESSURE
TRANSMITTER

Table of Contents