EasyManua.ls Logo

Advantech PCIE-1816 - Page 31

Advantech PCIE-1816
62 pages
Print Icon
To Next Page IconTo Next Page
To Next Page IconTo Next Page
To Previous Page IconTo Previous Page
To Previous Page IconTo Previous Page
Loading...
25 PCIE-1816_1816H User Manual
Chapter 3 Signal Connections
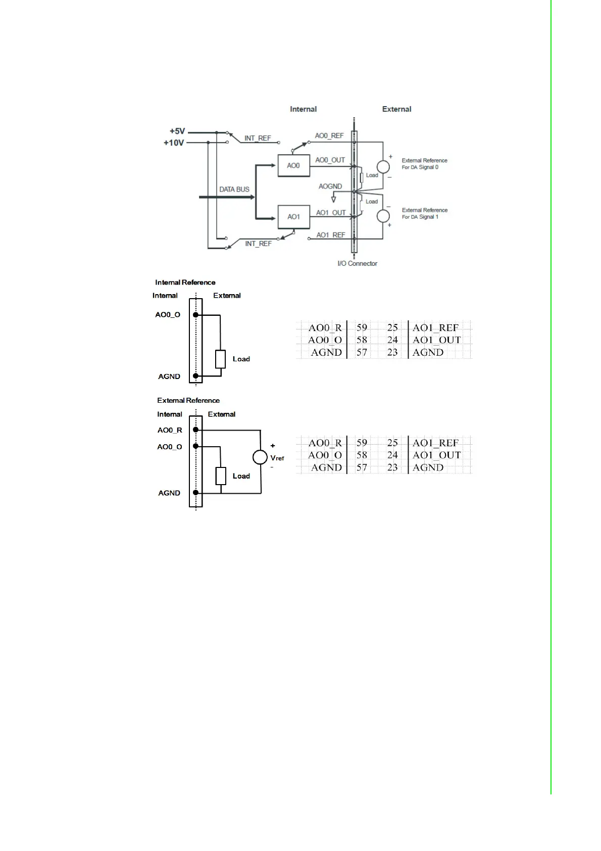
Fig. 3.9 shows how to make analog output and external reference input connections
on the PCIE-1816/1816H.
Figure 3.9 Analog Output Connections

Related product manuals