EasyManua.ls Logo

Advent Instruments AI-5620 - Page 18

Default Icon
33 pages
Print Icon
To Next Page IconTo Next Page
To Next Page IconTo Next Page
To Previous Page IconTo Previous Page
To Previous Page IconTo Previous Page
Loading...
14 AI-5620 User Guide
TBR-21
ZR
opt.
200 - 1000
AC Impedance
2 uF
20 uF
Wideband
600
0
50 - 1000
DC Resistance
o/c
Off Hook
1k - 20k
DC Resistance
On Hook
Ringing Load
Tip/Ring
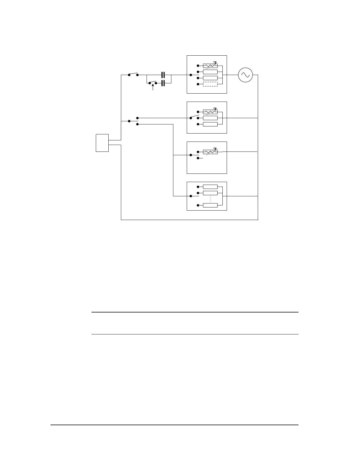
Signal Generators
The AC impedance terminations are AC coupled to the tip/ring leads by a 2.2uF
capacitor, with the option of adding an additional 20uF in parallel. This additional
capacitance improves the level accuracy when generating low frequency signals. The
termination impedance is selectable from either an adjustable value in range of 200 to
1000 , the TBR-21 complex reference impedance, the German ZR complex reference
impedance, or an optional third complex impedance (if installed).
The AC impedance terminations may be connected to the tip/ring leads in both the on-
hook and off-hook state.
The off-hook resistance can be selected from a variable 50 to 1000 settings, a fixed
600 , or a short circuit setting.
Note that in the off-hook state, the AC impedance terminations are automatically
disconnected if the fixed 600 or short circuit settings are selected. It is not possible to
generate any tones when then fixed 600 or short circuit termination is selected.
In the on-hook state, the DC resistance may be selected from a variable 1 k to 20 k
setting, or an open circuit setting. In the open circuit setting the DC resistance across the
tip/ring leads is slightly more than 5 M.
Also, in the on-hook state, various AC ringing loads may be applied. By default, six
different ringing loads corresponding to REN1 through REN6 as defined by the TIA-
1063 standard may be selected. Each ringing load is represented by a capacitor and
resistor in series.