EasyManua.ls Logo

Aerco BENCHMARK 6000 - CHAPTER 10. BOILER SEQUENCING TECHNOLOGY

Aerco BENCHMARK 6000
210 pages
Print Icon
To Next Page IconTo Next Page
To Next Page IconTo Next Page
To Previous Page IconTo Previous Page
To Previous Page IconTo Previous Page
Loading...
Benchmark 6000 Boiler Installation, Operation & Maintenance Manual
CHAPTER 10 BOILER SEQUENCING TECHNOLOGY
OMM-0086_0D AERCO International, Inc. 100 Oritani Dr. Blauvelt, NY 10913 Page 135 of 210
GF-133 Ph.: 800-526-0288 03/20/14
CHAPTER 10. BOILER SEQUENCING TECHNOLOGY
10.1 INTRODUCTION
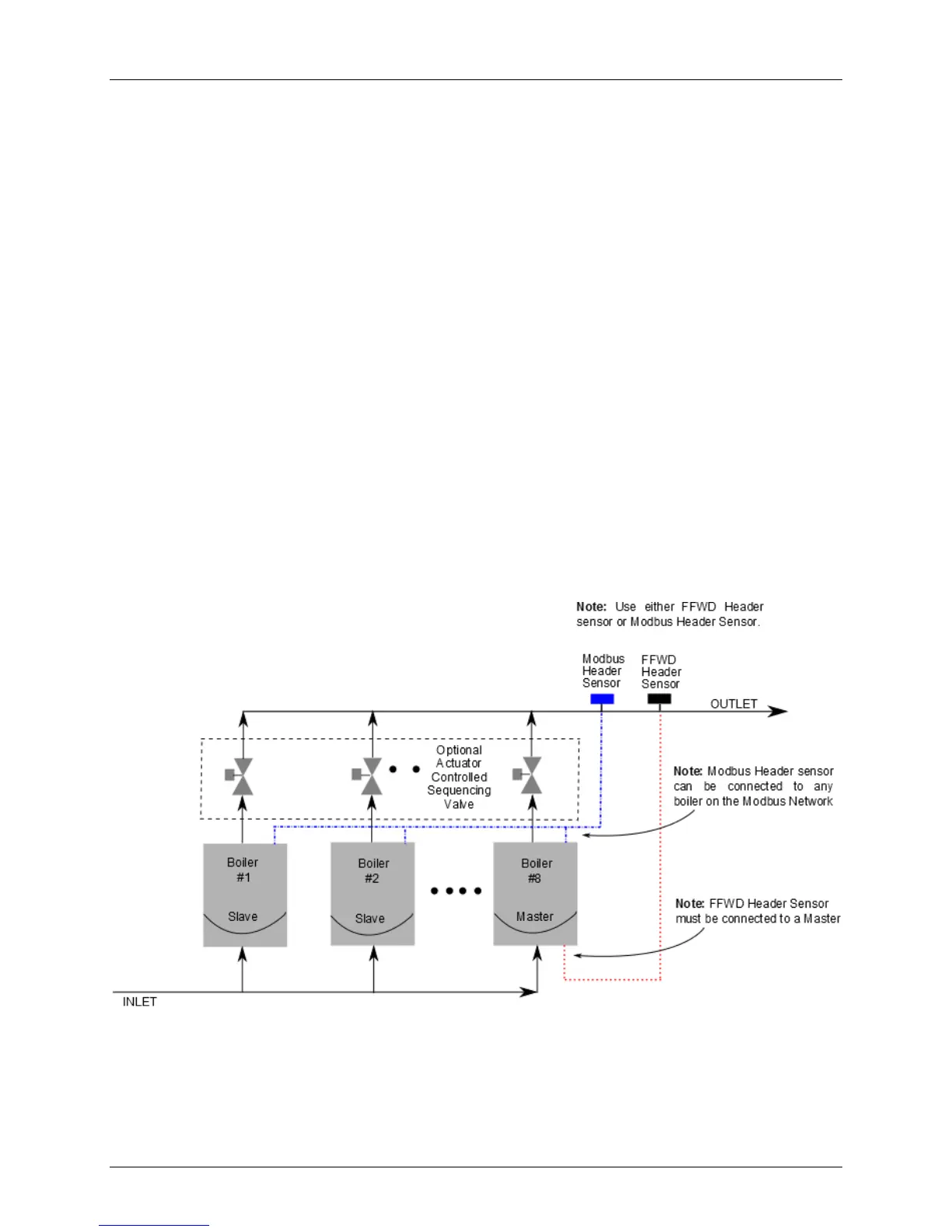
The C-More on-board Boiler Sequencing Technology system (BST) is an integrated 8 boiler
control system designed into the C-More controller. The BST has its own sophisticated PID
control system designed to simultaneously control the light off and modulation of up to 8 boilers
while achieving maximum operational efficiency.
BST is designed to ensure that all Boilers in the system operate at maximum efficiency. This is
accomplished by lighting off boilers only if all ignited boilers reach or exceed a defined Valve
Position (Fire Rate). Operating all boilers below the defined Fire Rate “Next on VP” (for Next
Turn on Valve Position) insures that they are firing at their most efficient Fire Rate. One C-More
unit is defined as the MASTER unit and all other C-More units on the BST Modbus Network are
defined as SLAVE units. The Master unit will monitor the system Header Temperature, monitor
all Slave units’ status information and efficiently control all units in order to achieve and maintain
the required BST Setpoint Temperature.
When there is a demand, the Master unit will light off one of the boilers based on the BST
Sequencing selection in the BST menu. As system load increases and the valve position of the
ignited units reach the Next On VP (% valve position), the BST master will light off the next
available unit. A simplified block diagram of multiple Boilers connected to a BST is shown in
Figure 9-1 below.
Figure 10-1. Simplified BST Block Diagram

Table of Contents

Related product manuals