EasyManua.ls Logo

AERMEC WRL-H - Main Cooling Layout; WRL-H STANDARD 025; 080

AERMEC WRL-H
52 pages
Print Icon
To Next Page IconTo Next Page
To Next Page IconTo Next Page
To Previous Page IconTo Previous Page
To Previous Page IconTo Previous Page
Loading...
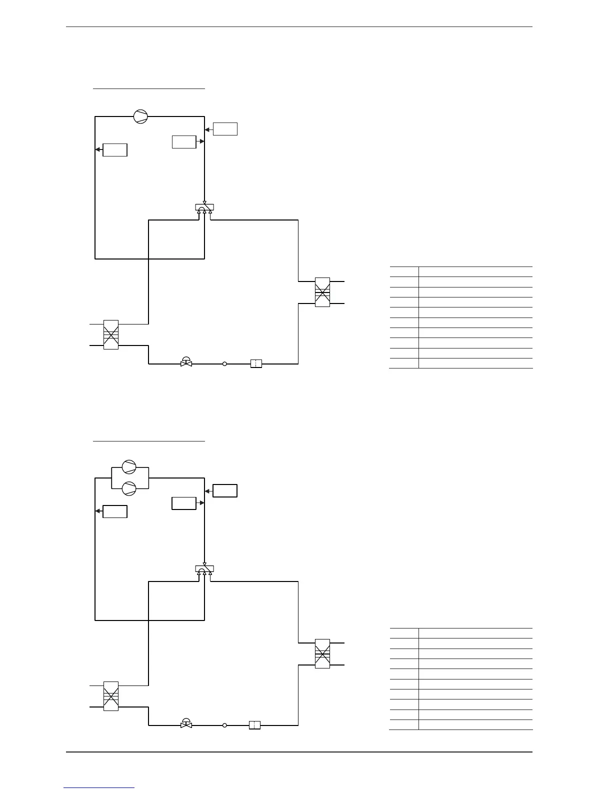
18. MAIN COOLING LAYOUT
18.1. WRL-H STANDARD 025 / 080
KEY
CN
Condenser
CP
Compressor
EV
Evaporator
F
Dehydrator filter
HPS
High pressure switch
HPT
High pressure transducer
IDL
Indicator for liquid passage
LPT
Low pressure transducer
TEV
Electronic thermosta c valve
VIC
Cycle reversing valve
IN
CP
OUT
VIC
IN
OUT
IDL
CN
EV
F
TEV
HPT
HPS
LPT
18.2. WRL-H STANDARD 100 / 160
KEY
CN
Condenser
CP
Compressor
EV
Evaporator
F
Dehydrator filter
HPS
High pressure switch
HPT
High pressure transducer
IDL
Indicator for liquid passage
LPT
Low pressure transducer
TEV
Electronic thermosta c valve
VIC
Cycle reversing valve
IN
CP
CP
OUT
VIC
IN
OUT
IDL
F
CN
EV
TEV
HPT
HPS
LPT
50
IWRLTY. 1201. 5890974_06

Related product manuals