EasyManua.ls Logo

Airwell Multi Split DUO 50 DCI - Outline Dimensions

Airwell Multi Split DUO 50 DCI
62 pages
Print Icon
To Next Page IconTo Next Page
To Next Page IconTo Next Page
To Previous Page IconTo Previous Page
To Previous Page IconTo Previous Page
Loading...
4-1
OUTLINE DIMENSIONS
SM DUODCI 1-A.1 GB
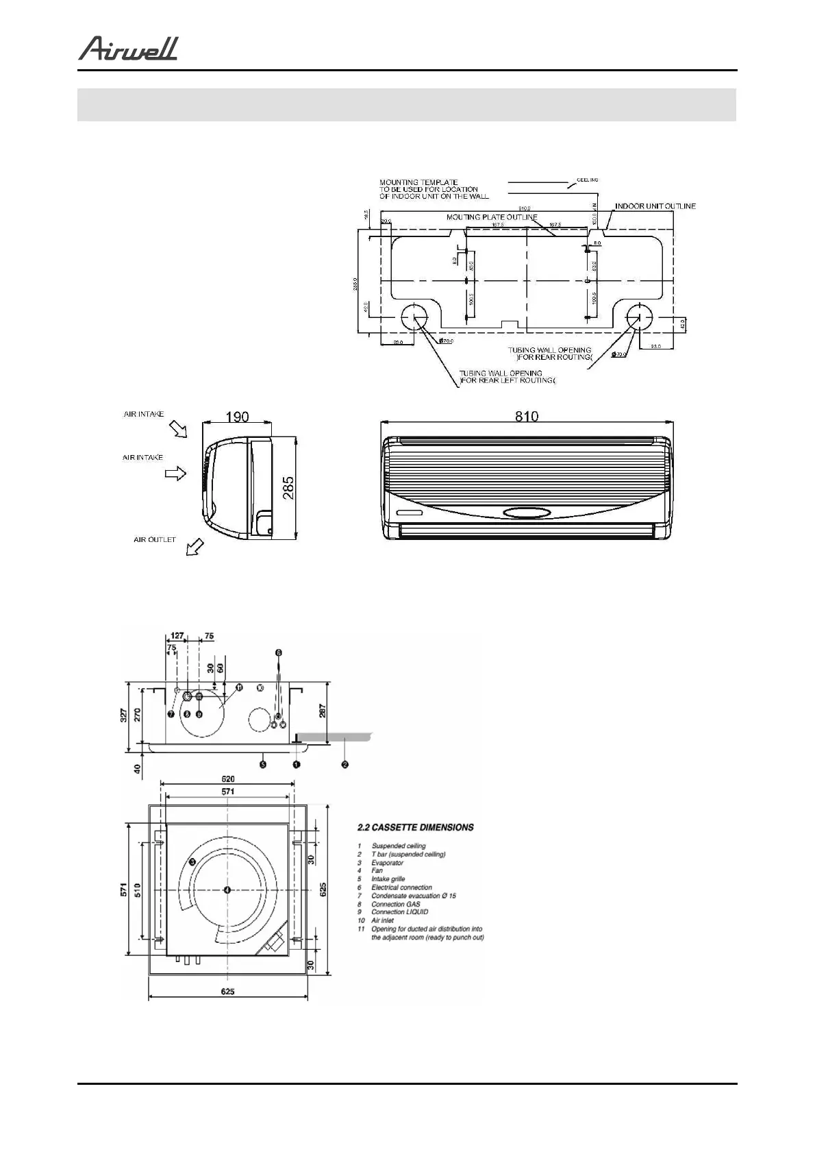
4. OUTLINE DIMENSIONS
4.1 Indoor Unit: FLO 9 / 12 DCI
4.2
Indoor Unit: K 9 / 12 DCI
CONTENT

Related product manuals