EasyManua.ls Logo

Airwell Multi Split DUO 50 DCI - Wiring Diagrams; DUO 50 DCI Wiring Diagram

Airwell Multi Split DUO 50 DCI
62 pages
Print Icon
To Next Page IconTo Next Page
To Next Page IconTo Next Page
To Previous Page IconTo Previous Page
To Previous Page IconTo Previous Page
Loading...
8-1
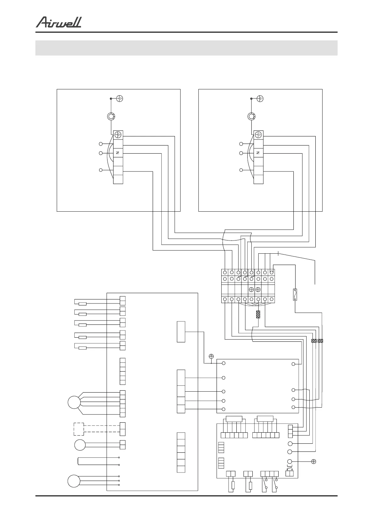
WIRING DIAGRAMS
SM DUODCI 1-A.1 GB
8. WIRING DIAGRAMS
8.1 DUO 50 DCI Wiring Diagram
To metal sheet
MSMP
PCB
2
EEV2
N
To metal sheet
L
P70
4527314
Alarm
2
J90
1
Night
P10
P11
3
4
Stdby
321
COM
NL
E
COM
COM2
COM1
6
P2
5
4
2
34
1
4
2
3
1
J51
RGT2
1
J91
1
2
Mega tool
Jumper
1
JP60
RGT1
2
J50
J30
EMI filter PCB
13
2
J41
6
COM
EEV1
3
5
42
1
N-FL-F
N
E
JP9
1
2
3
4
5
J40
6
L
N
COM
EARTH
N-COM
N
~230V 50Hz
Y/G
Power supply
T 20A/250Vac
FUSE
L
Red
Blue
Brown
To metal sheet
Ferrite core
UNIT 2
L1
L1/2
C1
N1/2
C2
N1
C1
C2
6
4/L
5/C
L
OUTDOOR UNIT CIRCUIT DIAGRAM
Outdoor unit controller PCB
P19 P2
EEV
P7
P15
Model Jumper
P10
P12
1
P13P11P3 P9
UV
W
P4
P14
1
2
13
P1
2
1
2
54
6
5
64
3
2
1
2
1
2
V
cc
=15V DC
V
m
=310V DC
PG
V
sp
=0-6.5V DC
GND
Base
heater
Choke
coil
COMP
Reverse
valve
OFAN
OATOCT
UNIT 1
Ferrite core
P5
P20
P8
Y/G
Brown
Blue
Red
1
22
11
2
6
5/C
L
4/L
To metal sheet
HSTSUCTCTT
CONTENT

Related product manuals