EasyManua.ls Logo

Alfa Laval S 921 - Page 60

Alfa Laval S 921
62 pages
Print Icon
To Next Page IconTo Next Page
To Next Page IconTo Next Page
To Previous Page IconTo Previous Page
To Previous Page IconTo Previous Page
Loading...
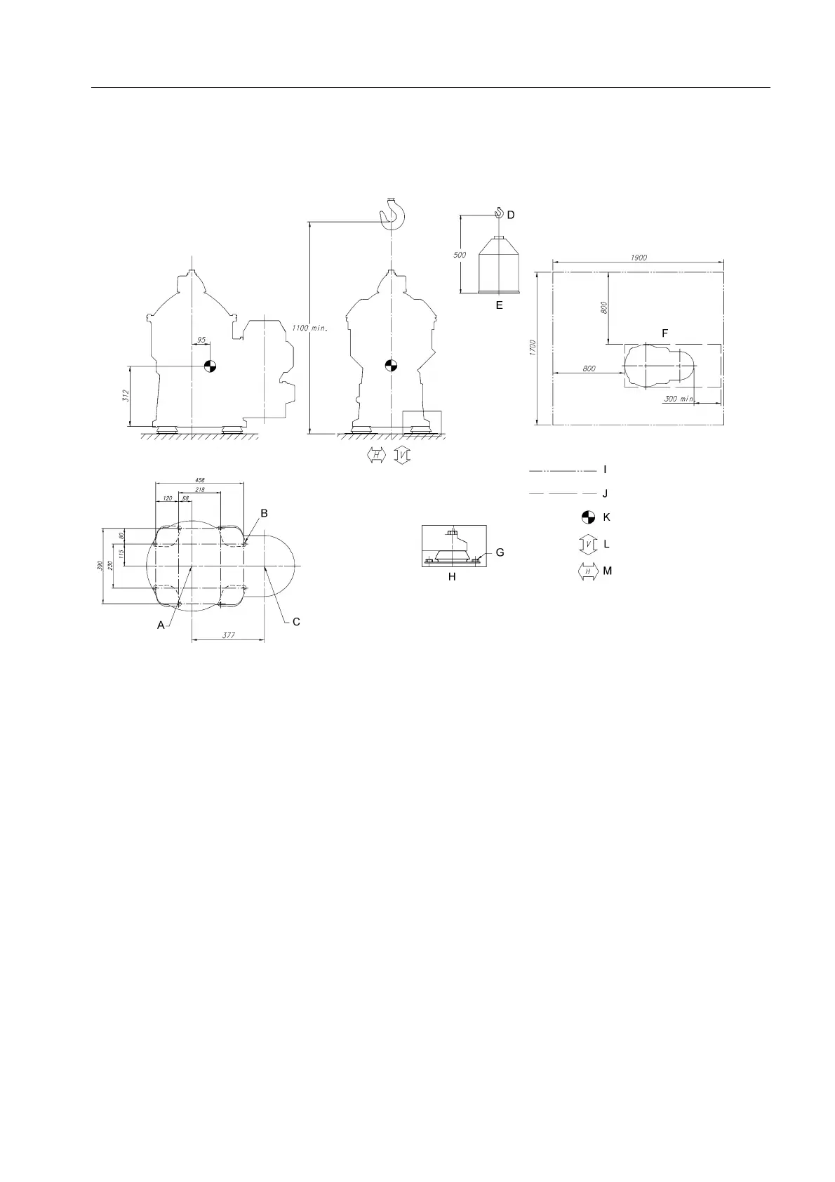
8 Technical Reference 8.6 Drawings
8.6.2 Foundation drawing
Alfa Laval ref. 574284 Rev. 1
G1028711
A. Centre of separator bowl.
B. Holes for foundation bolts (8x).
C. Centre of motor.
D. Min. lifting capacity required during service: 300
kg.
E. Max. height of largest component incl. lifting tool.
F. Service side.
G. Foundation bolts.
H. Installation according to stated foundation force.
Foundation turnable 360°
I. Recommended free floor space for unloading
when do ing service.
J. No fixed installation within this area.
K. Centre of gravity (com p lete machine).
L. Vertical force not exceeding 8 kN/foot.
M. Horizontal force not exceeding 8 kN/foot.
193

Related product manuals