EasyManua.ls Logo

ALKOTA 5305A - Electrical System; Electrical Schematic Diagram

ALKOTA 5305A
56 pages
Print Icon
To Next Page IconTo Next Page
To Next Page IconTo Next Page
To Previous Page IconTo Previous Page
To Previous Page IconTo Previous Page
Loading...
14
Electrical Schematic
Electrical Schematic
33
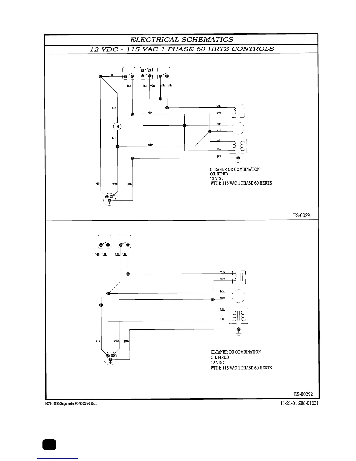
VACUUM
TOGGLE
SWITCH
TEMP
CONTROL
SWITCH
METER
HOUR
GENERATOR
115 VAC
TRANSFORMER
115 VAC
MOTOR
BURNER
115 VAC
SOLENOID
FUEL
115 VAC
IGNITION
GENERATOR
HOUR METER
TEMPERATURE CONTROL
FUEL SOLENOID
FLOW SWITCH
TOGGLE SWITCH
BURNER AND CONTROLS
TOGGLE
SWITCH
FLOW
SWITCH
GENERATOR
115 VAC
115 VAC
SOLENOID
FUEL
115 VAC
TRANSFORMER
IGNITION
115 VAC
MOTOR
BURNER
FUEL SOLENOID
TOGGLE SWITCH
BURNER AND CONTROLS
GENERATOR
FLOW SWITCH