EasyManua.ls Logo

Allen-Bradley 1756-IA32 - 1756-Oa8 E

Allen-Bradley 1756-IA32
258 pages
Print Icon
To Next Page IconTo Next Page
To Next Page IconTo Next Page
To Previous Page IconTo Previous Page
To Previous Page IconTo Previous Page
Loading...
Rockwell Automation Publication 1756-UM058G-EN-P - November 2012 155
Wiring Diagrams Chapter 8
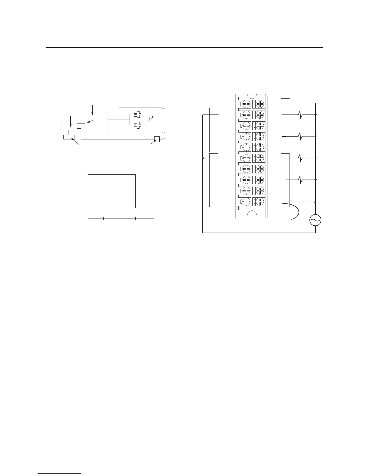
1756-OA8E
ControlLogix AC (74...132V) electronically-fused output module
12
34
5
6
7
8
910
11
12
1314
1516
1718
19
20
Daisy Chain to
Other RTBs
Group 0Group 0
Group 1Group 1
L2
1756-OA8E
Not Used
L1-0
L1-0
L1-0
L1-1
L1-1
L1-1
L1-1
L1-0
L1-1
L2-0
OUT-0
OUT-1
OUT-2
OUT-4
OUT-5
OUT-6
OUT-7
OUT-3
L2-1
Daisy
Chain to
Other
RTBs
L1
ControlLogix
Backplane
Interface
Opto and Transformer Isolation
Surge Current Chart
Display
Simplified Schematic
OUT
L1
Time
Surge
Loss of Field Power
Short
VAC
GATE
0 43 ms
Current
20 A
2 A
L2

Table of Contents

Related product manuals