EasyManua.ls Logo

AMERITRON ALS-606 - Bandswitch BSW3; SWR Directional Coupler Board; Figure 8 Bandswitch BSW3; Figure 9 SWR Power Sensor Board

AMERITRON ALS-606
44 pages
Print Icon
To Next Page IconTo Next Page
To Next Page IconTo Next Page
To Previous Page IconTo Previous Page
To Previous Page IconTo Previous Page
Loading...
Version 0A 33
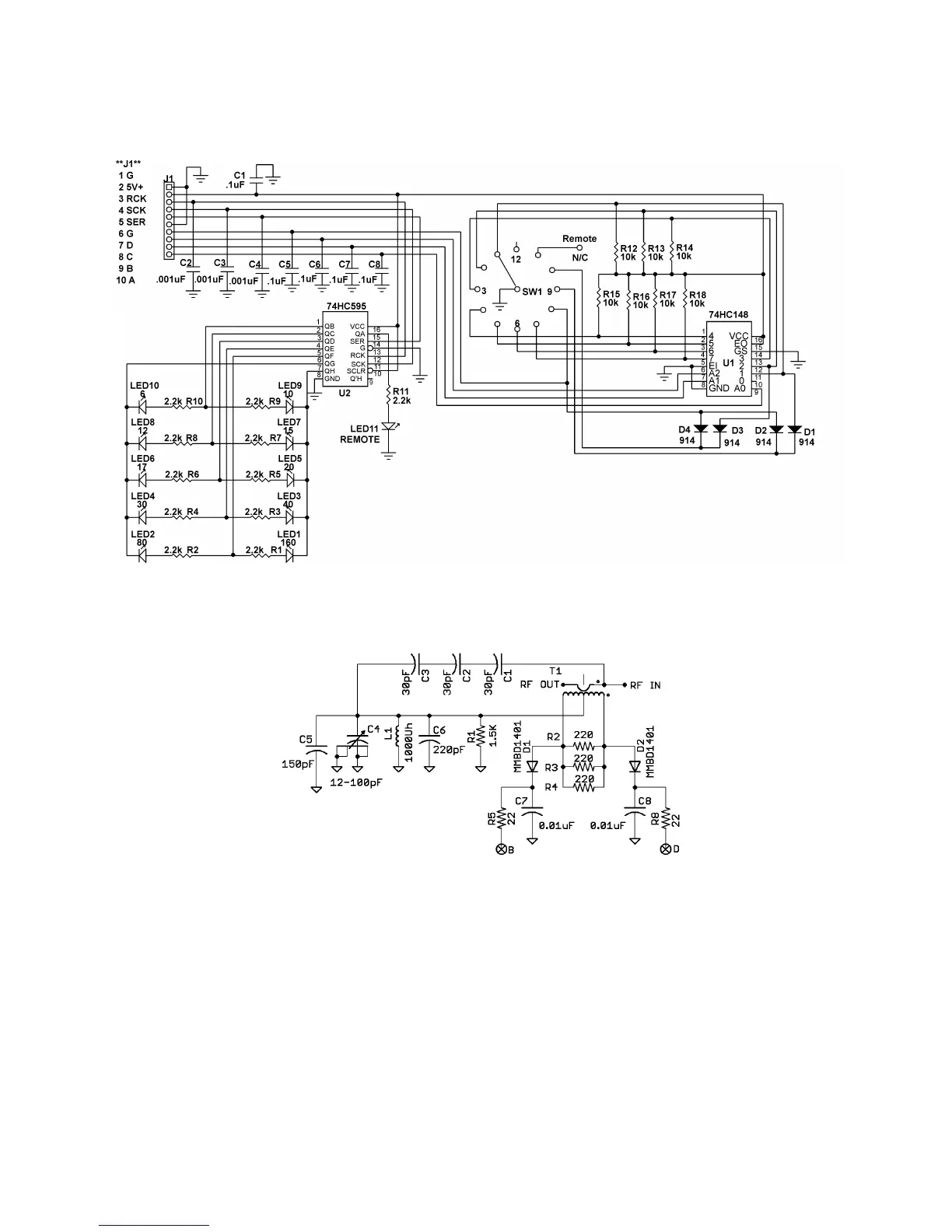
Bandswitch BSW3
Figure 8 Bandswitch BSW3
SWR Directional Coupler Board
Figure 9 SWR Power Sensor Board

Table of Contents

Related product manuals