EasyManua.ls Logo

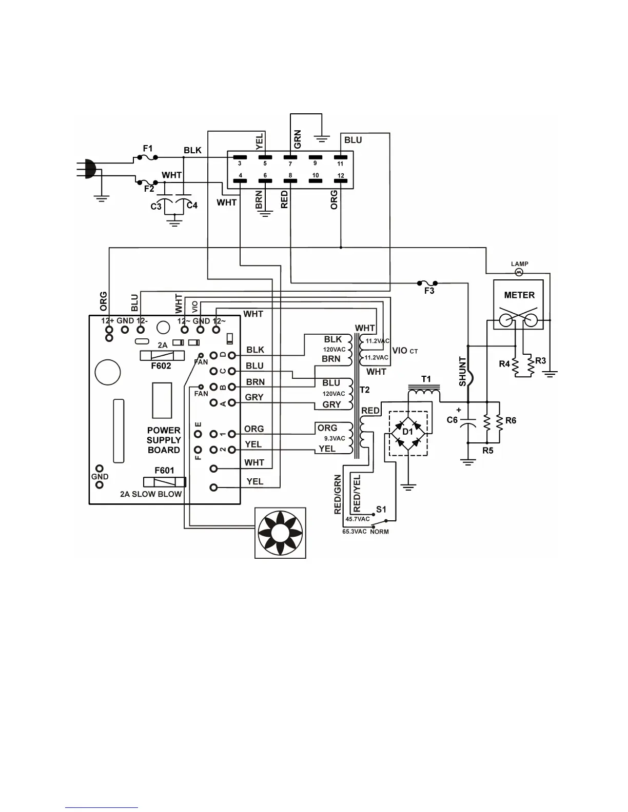
AMERITRON ALS-606 - ALS-600 PS Power Supply; Figure 16 ALS-600 PS Power Supply

AMERITRON ALS-606
44 pages
Print Icon
To Next Page IconTo Next Page
To Next Page IconTo Next Page
To Previous Page IconTo Previous Page
To Previous Page IconTo Previous Page
Loading...
Version 0A 38
ALS-600PS Power Supply
Figure 16 ALS-600PS Power Supply

Table of Contents

Related product manuals