EasyManua.ls Logo

Ammann AV33-2 - Wiring Diagram (Delayed Seat Switch)

Ammann AV33-2
180 pages
Print Icon
To Next Page IconTo Next Page
To Next Page IconTo Next Page
To Previous Page IconTo Previous Page
To Previous Page IconTo Previous Page
Loading...
12 Wiring diagram
BNNbOO
ID: 1138310 Issue date January 01, 2010
165
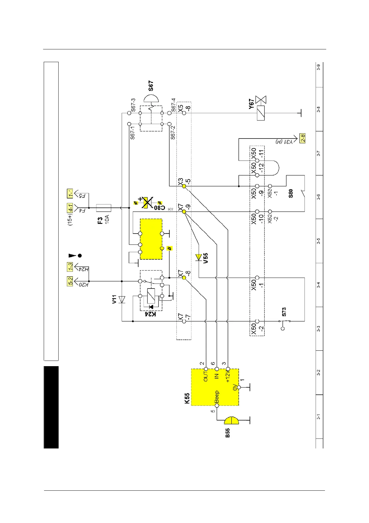
Wiring diagram (delayed seat switch)
Emergency stop circuit, operating lever zero position, seat contact Loxam

Table of Contents

Related product manuals